XJ XJ8 / XJR ( X308 ) 1997 - 2003

'99 XJR--Driver Window Stuck Down

Thread Tools
 
Search this Thread
 
Old Aug 8, 2007 | 05:37 PM
  #2  
jag_genius's Avatar
Joined: Jun 2007
Posts: 2,076
Likes: 40
From: Pompino Beach , FL
Default RE: '99 XJR--Driver Window Stuck Down

try giving the car a hard reset... disconnect the negative terminal at the battery and use the negative cable to touch the positive terminal for a few minutes then reconnect negative terminal.. and try the switch..
 
Reply
Old Aug 11, 2007 | 01:02 PM
  #4  
jag_genius's Avatar
Joined: Jun 2007
Posts: 2,076
Likes: 40
From: Pompino Beach , FL
Default RE: '99 XJR--Driver Window Stuck Down

do the hard reset.
 
Reply
Old Aug 11, 2007 | 01:05 PM
  #5  
93xj6's Avatar
Veteran Member
Joined: Feb 2007
Posts: 1,017
Likes: 2
From: Chicago/Carbondale
Default RE: '99 XJR--Driver Window Stuck Down

maybe try takin off the panel and then there might be some loose wire or somethin
 
Reply
Old Jul 31, 2021 | 11:01 PM
  #6  
Matt-97's Avatar
Junior Member
Joined: Jul 2021
Posts: 11
Likes: 5
Default Replacement Relay?

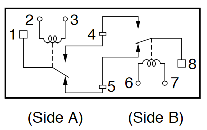
I have the same relay gone bad in my seat control module. I couldn't find the part online, but NEC makes these:
https://www.mouser.com/datasheet/2/283/en2-6349.pdf


Not sure if they are the same, but they seem like they are in the right ballpark. This is the schematic & what it looks like overlaid on my seat module:


I may try to rebuild (clean) the relay. I'll try to post back if I figure anything out.

 
Reply
Related Topics
Thread
Thread Starter
Forum
Replies
Last Post
blackenedindustries
XJ ( X351 )
1
Sep 30, 2015 10:17 AM
Ragn0r
S-Type / S type R Supercharged V8 ( X200 )
9
Sep 29, 2015 10:38 AM

Currently Active Users Viewing This Thread: 1 (0 members and 1 guests)
 



All times are GMT -5. The time now is 05:12 AM.