Also In This Album

My Post Pictures (4) »
Thermo July 11, 2025
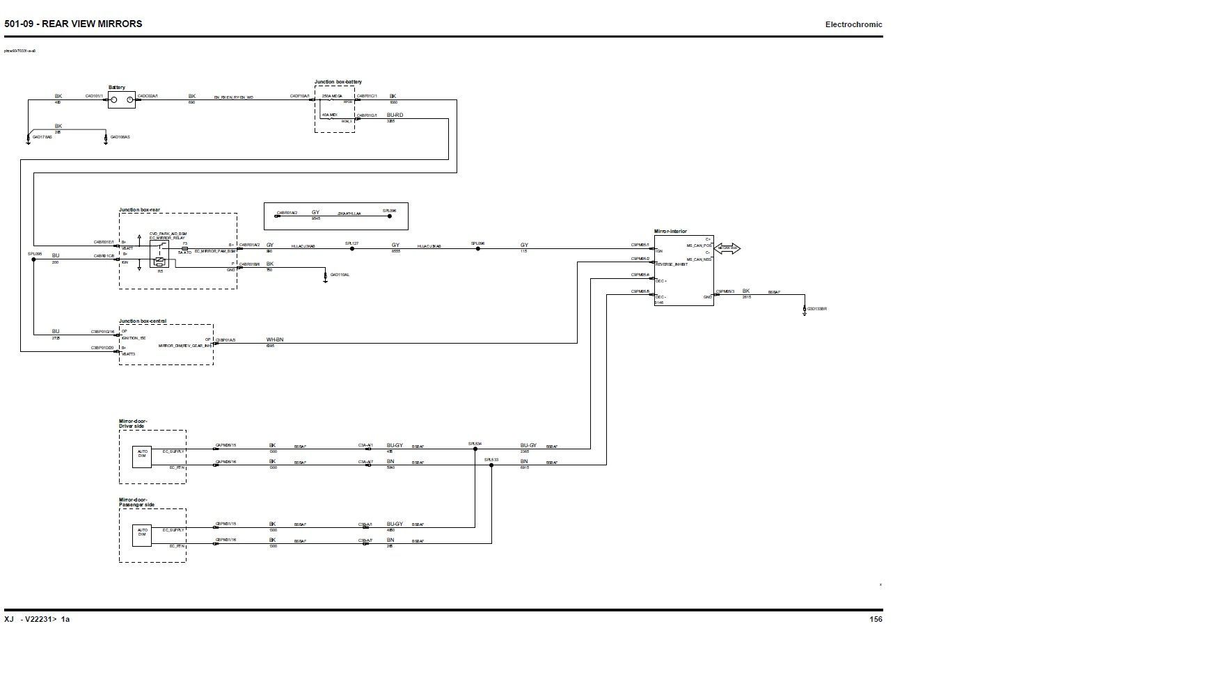
rear view mirror wiring for 2012 XJ

More About This Picture

Vehicle

N/A

Location

N/A

Keywords

N/A

Discover More Pictures

See More
Advertisement

Comments (0)

Please Register or log in to leave a comment.

Be the first to comment on this picture!