F-Type ( X152 ) 2014 - Onwards

New Ftype-R w/CCB owner, wheel fitment question

Thread Tools
 
Search this Thread
 
Old Jun 5, 2023 | 02:25 PM
  #1  
my_ftype_odyssey's Avatar
Thread Starter
|
Junior Member
Joined: Jun 2023
Posts: 3
Likes: 4
Default New Ftype-R w/CCB owner, wheel fitment question

Hello everyone,

I got a '17 Ftype-R a couple months back. Absolutely loving it and now starting to plan on getting aftermarket wheels. But this is where I'm kinda lost gathering the correct information. I would need some help with what the wheel size+offset can be that can clear CCBs. From my research in forums/posts, below is the information I have gathered-

1. I got style 5040/storm wheels with CCBs. They are measured at 398mm front and 380mm rear
2. Typical aftermarket wheel sizes are-
  1. 20x9 / 20x9.5 front
  2. 20x10/20x10.5/20x11 rears
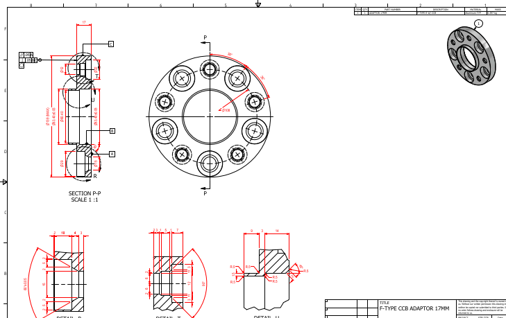
3. For CCB Equipped cars, the spacer diameter can't be more than 139mm to avoid air gap between hub/spacer
I want to lower my car on H&R springs. So my questions are-
1. What is the offset range for front and rear wheels with CCB?
2. Is the spacer diameter<139mm is strictly follwed for CCB equipped cars?
3. What'd be the ideal spacer size (15/17/20mm)
​​​​​
Any help would be much appreciated. Thanks! Attached a pic of my ride too



​​​​

 
Reply
Old Jun 6, 2023 | 01:07 AM
  #2  
bcbruno's Avatar
Senior Member
5 Year Member
Liked
Loved
Community Favorite
Joined: Jun 2020
Posts: 183
Likes: 97
From: Rotterdam
Default

Nice car. Can't answer all questions, i guess depends from many factors and tires have different shapes.

On mine, with 17mm adaptor, not lowered, storm wheels and original tires (Pirelli) was minimal rubbing at max compression. With other ET wheels and PS4s i had to trim the fenders.

Indeed the adaptors need to have a smaller O.D. than standard ones, 139mm max


 
Reply
Old Jun 6, 2023 | 10:29 AM
  #3  
my_ftype_odyssey's Avatar
Thread Starter
|
Junior Member
Joined: Jun 2023
Posts: 3
Likes: 4
Default

@bcbruno Thanks, that helps. Wondering what offset were your front/rear wheels that made you trim your fenders? I could use that as a reference point.
 
Reply
Old Jun 6, 2023 | 03:25 PM
  #4  
bcbruno's Avatar
Senior Member
5 Year Member
Liked
Loved
Community Favorite
Joined: Jun 2020
Posts: 183
Likes: 97
From: Rotterdam
Default

The wheels are 9x21 ET45 and 10.5x21 ET32, I believe the Storm are 9x20 ET55 and 10.5x20 ET38, w/ spacers an increase of 27mm at front and 23mm at rear per side. This is excessive, just did it to clear the spokes from the calipers.
 
Reply
Old Jun 8, 2023 | 11:54 AM
  #5  
my_ftype_odyssey's Avatar
Thread Starter
|
Junior Member
Joined: Jun 2023
Posts: 3
Likes: 4
Default

Thanks, appreciate your replies!
 
Reply
Related Topics
Thread
Thread Starter
Forum
Replies
Last Post
JaguarJack12
XF (X260)
10
Apr 14, 2022 05:54 PM
Willzor
XJ XJ8 / XJR ( X308 )
1
Nov 24, 2020 09:06 PM
Trevor Walker
F-Type ( X152 )
16
Dec 19, 2017 11:10 AM
zmoothg
F-Type ( X152 )
13
Aug 28, 2016 11:11 AM
Loxmth
XK8 / XKR ( X100 )
4
Jul 18, 2015 11:11 AM

Currently Active Users Viewing This Thread: 1 (0 members and 1 guests)
 



All times are GMT -5. The time now is 11:22 AM.