XJ6 & XJ12 Series I, II & III 1968-1992

AC Compressor wiring help?

Thread Tools
 
Search this Thread
 
Old Jul 3, 2025 | 03:24 PM
  #1  
Carguyjohn52's Avatar
Thread Starter
|
Junior Member
5 Year Member
Joined: Jul 2020
Posts: 9
Likes: 1
From: Charlotte, NC
Default AC Compressor wiring help?

I started a new thread, as the last discussion on this seems to have ended some years ago. This car’s AC fans all work when AC requested— but compressor has been electrically separated. I’m hoping someone can help me sort this out?
The old thread indicated the late model ‘87 XJ6 no longer used the Thermal Limiter nor the Superheat switch, neither of which is on my car. It also stated the Green/ brown wire to the compressor should have 12v + from it with car running and AC dash switch on. I do not have power from it in that situation. With this car I have several questions:

Photo 1–The blue wire in this photos has been severed, and the upper portion has a diode spliced into it. ( Reason for diode unknown in old thread) Should the blue wire just be reconnected and the diode remain in the loop? ( This black connector appears it is to then be installed on the compressor side) The beige connector ( shown below the hose) is the green/brown wire. It does not have power from it with test light.



From the old thread, with no power on the green/ brown wire it was suggested to check the 4 fuses. Done, and all are OK. It was then suggested to check the green/ brown wire from the Ranco Thermal switch adjacent to the AC mixing box to see if power is transmitted.
Photo 2 and 3- photos of behind the console side panels. Can someone point out the Ranco unit and where the green/ brown wire is to check for power out?


 
Reply
Old Jul 3, 2025 | 05:08 PM
  #2  
Jose's Avatar
Veteran Member
15 Year Member
Liked
Loved
Community Favorite
Joined: Mar 2007
Posts: 9,140
Likes: 2,662
From: Florida
Default

the diode is a wiring modification for the under front bumper auxiliary fan to run everytime the compressor kicks in. It's a popular mod to mimick the 12 cylinder cars.
 
Reply
Old Jul 3, 2025 | 08:12 PM
  #3  
Doug's Avatar
Veteran Member
Liked
Loved
Community Favorite
Joined: Mar 2008
Posts: 25,538
Likes: 11,735
From: Pacific Northwest USA
Default

Originally Posted by Carguyjohn52



Photo 2 and 3- photos of behind the console side panels. Can someone point out the Ranco unit and where the green/ brown wire is to check for power out?

The Ranco is almost in view in your pics. A bit higher up. In this illustration it is part number AEU1675. Box-like in appearance

Cheers

Cheers
DD
 
Reply
Old Jul 14, 2025 | 09:30 AM
  #4  
Carguyjohn52's Avatar
Thread Starter
|
Junior Member
5 Year Member
Joined: Jul 2020
Posts: 9
Likes: 1
From: Charlotte, NC
Default

Thanks for the help in the posts above! We were able to trace circuits with your help, and now have 12v from green/brown wire at compressor terminal!! However, while 12v to black plastic terminal is good, plugging it into compressor results in an inline fuse blowing.
My first thought would be the electromagnetic clutch has a short? Any other explanation I’m missing?
We did try, with engine running, applying battery + 12v to each compressor clutch terminal individually- nothing, not even a click.

In other older cars there is one wire to the clutch, as compressor is grounded. This compressor is clearly grounded, so I’m unsure what the second connection does.

Any suggestions before it goes to an AC specialist? Thanks- the help received has been great.
 
Reply
Old Jul 14, 2025 | 10:05 AM
  #5  
Jose's Avatar
Veteran Member
15 Year Member
Liked
Loved
Community Favorite
Joined: Mar 2007
Posts: 9,140
Likes: 2,662
From: Florida
Default

contact Gary at www.jag-aire.com to see if he can help with the wiring.
 
Reply
Old Jul 14, 2025 | 11:33 AM
  #6  
Doug's Avatar
Veteran Member
Liked
Loved
Community Favorite
Joined: Mar 2008
Posts: 25,538
Likes: 11,735
From: Pacific Northwest USA
Default

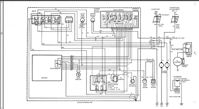
Here's a diagram that shows the compressor wiring. It may help you. More later

Cheers
DD

xj6climate
 
Reply
Related Topics
Thread
Thread Starter
Forum
Replies
Last Post
italcarnut
X-Type ( X400 )
1
May 14, 2024 03:43 PM
garethashenden
XJS ( X27 )
2
Jun 25, 2022 12:16 PM
retroren
XJ6 & XJ12 Series I, II & III
4
May 24, 2022 08:35 AM
sanchez
XJ6 & XJ12 Series I, II & III
7
Apr 2, 2016 09:15 PM
john_cook12
XJ6 & XJ12 Series I, II & III
3
Jun 27, 2013 11:08 AM

Currently Active Users Viewing This Thread: 1 (0 members and 1 guests)
 



All times are GMT -5. The time now is 08:05 AM.