Jaguar Forums - Jaguar Enthusiasts Forum
  • LOG IN
  • REGISTER
  • Forums
    • General Jaguar Forums
      • New Member Area - Intro a MUST
      • Jaguar Forums Feedback & Suggestion Center
      • General Tech Help
    • Jaguar Models ( Current )
      • XF (X260)
      • F-Type ( X152 )
      • XE ( X760 )
      • E-Pace
      • F-Pace (X761) / C-X17
      • I-Pace EV
    • Jaguar Models ( Modern )
      • XF and XFR ( X250 )
      • XJ ( X351 )
      • X-Type ( X400 )
      • S-Type / S type R Supercharged V8 ( X200 )
      • XJ XJ6 / XJ8 / XJR ( X350 & X358 )
      • XJ XJ8 / XJR ( X308 )
      • XJ XJ12 ( X305 )
      • XJ XJ6 / XJR6 ( X300 )
      • XK8 / XKR ( X100 )
      • XK / XKR ( X150 )
    • Jaguar Models ( Classics )
      • Mark V - X 420G
      • MKI / MKII S type 240 340 & Daimler
      • XK120 XK140 XK150
      • E type ( XK-E )
      • XJ6 & XJ12 Series I, II & III
      • XJS ( X27 )
      • XJ40 ( XJ81 )
      • XKSS
      • XJ220
    • Other Jaguars
      • Other Jaguar Models / Concepts / Replicas
    • Diesel variants
      • Diesel variants - All models
    • Non Jaguar vehicles
      • Non-Jaguar Vehicles
    • Brand Review
      • Jaguar Press release
      • Jaguar Customer Relationship Centre
      • Jaguar Engines & transmissions
      • Wheels / Tires, Suspension & handling
      • Interior
      • Exterior
      • Audio/Visual Electronics
      • Detailing / Car care
      • Motorsports
    • Jaguar Classifieds
      • Marketplace
      • PRIVATE For Sale / Trade or Buy Classifieds
      • VENDOR 'For Sale' Classifieds
    • Regional
      • US Northeast
      • US Central
      • US Southwest
      • US Western
      • US Northwest
      • US Midwest
      • US Mid Atlantic
      • US Lower Atlantic
      • US Southern Midwest
      • Canada
      • Mexico, South America
      • UK & Eire
      • Europe
      • Australia - Queensland
      • Australia - New South Wales / ACT
      • Australia - Victoria / Tasmania
      • Australia - Western
      • Australia - South / NT
      • New Zealand
      • Other Areas
    • Official Site Sponsors
      • VENDOR Threads
    • General Interest / History
      • Sights N Sounds
      • Photography
      • Forum announcement archives / Forum History
      • Jaguarforums Merchandise
      • Memorial Section
  • News
  • Marketplace
    • Vendor Directory
    • Become a Vendor
    • Member Marketplace
    • Vendor Marketplace
    • Site Store
  • New Posts
  • Tools
    • Car Payment Calculator
    • Tire Rim Calculator
    • Vin Decoder
    • Recalls
    • Technical Service Bulletins (TSBs)
    • Members List
    • Live Feed
  • Gallery
  • View Dark Mode
    • Please register or login to enable Dark Mode.
  • Log In
  • Register
Jaguar Forums - Jaguar Enthusiasts Forum
    • Threads
      • Advanced
Dark Mode

Please register or login to enable Dark Mode.

Log In

Forgot your Password?

By logging into your account, you agree to our Terms of Use and Privacy Policy, and to the use of cookies as described therein.
or
 
  • Recent
  • Commented
  • Albums
  • My Pictures

FerrariGuy's Photos

View Profile
Sort:
Most Recent
  • Most Recent
  • Most Comments
  • Albums
  • Photos
0 2025/07/16 19:44:33 FerrariGuy
0 2025/07/16 19:44:25 FerrariGuy
0 2025/06/22 21:08:15 FerrariGuy
0 2025/06/22 21:04:05 FerrariGuy
0 2025/06/22 21:03:38 FerrariGuy
0 2025/06/22 20:58:30 FerrariGuy
0 2025/06/22 20:58:06 FerrariGuy
0 2025/06/22 20:57:43 FerrariGuy
0 2025/06/22 20:57:42 FerrariGuy
0 2025/06/22 20:57:41 FerrariGuy
0 2025/06/22 20:57:40 FerrariGuy
0 2025/06/22 20:57:39 FerrariGuy
0 2025/06/22 20:57:37 FerrariGuy
0 2025/06/22 20:57:36 FerrariGuy
0 2025/06/22 20:57:35 FerrariGuy
0 2025/06/22 20:57:34 FerrariGuy
0 2025/06/22 20:57:32 FerrariGuy
0 2025/06/22 20:57:30 FerrariGuy
0 2025/06/22 20:57:29 FerrariGuy
0 2025/06/07 01:23:12 FerrariGuy
0 2025/05/17 00:27:38 FerrariGuy
0 2025/05/17 00:27:34 FerrariGuy
HE Pinout
HE Pinout
0 2024/12/10 06:04:00 FerrariGuy
Looks to be the same connectors
Looks to be the same connectors
0 2024/12/10 06:03:45 FerrariGuy
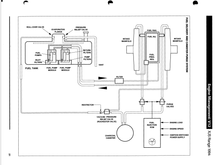
Pre-HE illustration
Pre-HE illustration
0 2024/12/10 06:03:44 FerrariGuy
0 2024/12/10 06:03:42 FerrariGuy
0 2024/12/10 06:03:41 FerrariGuy
Same connector... Bernard here holding the additonal cold start injector routing.
Same connector... Bernard here holding the additonal cold start injector routing.
0 2024/12/10 06:03:40 FerrariGuy
0 2024/12/10 06:03:39 FerrariGuy
Pre HE pinout numbered - same as HE  pinout.
Pre HE pinout numbered - same as HE pinout.
0 2024/12/10 06:03:37 FerrariGuy
Note Bernard sourced the WRONG style connectors and had to cut them (the push-spring-clip release style) rather than the correct low-profile ones as Andreas uses.
Note Bernard sourced the WRONG style connectors and had to cut them (the push-spring-clip release style) rather than the correct low-profile ones as Andreas uses.
0 2024/12/10 06:03:36 FerrariGuy
0 2024/12/10 06:03:35 FerrariGuy
Pre-HE Injector Amp Connector(s) - 4 pin should be the 2 channel control from the 3CU ECU D-Jet ECU.
Pre-HE Injector Amp Connector(s) - 4 pin should be the 2 channel control from the 3CU ECU D-Jet ECU.
0 2024/12/10 05:59:47 FerrariGuy
1979 OE XJS V12 EFI Harness End
1979 OE XJS V12 EFI Harness End
0 2024/12/10 05:59:46 FerrariGuy
Pre-HE Injector Amp
Pre-HE Injector Amp
0 2024/12/10 05:59:44 FerrariGuy
0 2024/12/10 05:59:43 FerrariGuy
0 2024/12/10 05:59:41 FerrariGuy
0 2024/12/10 05:59:39 FerrariGuy
0 2024/12/10 05:59:37 FerrariGuy
0 2024/12/10 05:59:35 FerrariGuy
First
Page
1 of 2
Last
Go To
Page
  • 1
  • 2
1 of 2
Go To GO
Go to page of 2 pages
  • 1
  • 2

Top
Jaguar Forums - Jaguar Enthusiasts Forum
  • Contact Us
  • FAQ
  • Archive
  • Advertising
  • Cookie Policy
  • Privacy Statement
  • Terms of Service
  • Your Privacy Choices
  • Manage Preferences

© 2026 MH Sub I, LLC dba Internet Brands

Follow Us        



When you click on links to various merchants on this site and make a purchase, this can result in this site earning a commission. Affiliate programs and affiliations include, but are not limited to, the eBay Partner Network.