Automatic in N sometimes blocked
After stopping my Mk2 in my garage, I switch from D to N to allow rolling the car manually. Sometimes rolling is not possible (blocked) or at least difficult. In such cases, the blockage disappears overnight.
No, I’m not leaving the handbrake on...
Any ideas what could cause this effect?
Regards,
Dave
No, I’m not leaving the handbrake on...
Any ideas what could cause this effect?
Regards,
Dave
if it disappears overnight and you can roll the car in the morning, something is sticking that unsticks after a while, something that has a spring ?
If you wait long enough, you might HEAR it spring into N.
If you wait long enough, you might HEAR it spring into N.
While it's likely a column shifter issue ~ try lubricating. It could be an ATF level & pressure settling issue. Does your car have the brake locking (hill holder ~ anti creep) solenoid on the rear wheels? That circuit slowly loses pressure over time & releases the rear brakes. Can be immediately over ridden by the throttle switch. Shove the accelerator pedal to release if that switch is correctly adjusted at the carbs.
Hopefully Cass will enter this thread. He knows Auto shifters backwards. I own an MOD.
Hopefully Cass will enter this thread. He knows Auto shifters backwards. I own an MOD.
Last edited by Glyn M Ruck; Jul 15, 2022 at 05:51 AM.
I would take that anti creep solenoid right out of line & replace with a straight piece of brake pipe. It could still be causing issues. Lets hope Cass looks in. I don't know the selector & Bowden cables & their adjustment. He knows Auto shifters well.
Last edited by Glyn M Ruck; Jul 15, 2022 at 09:54 AM.
The other possibility is there is a failing brake flex line. The overnight comment sounds like that should be investigated. A sticky reaction valve in the booster or a failing vac. line to the booster could also cause this. Best of luck.
Thanks for the interesting ideas.
Glyn: why do you think an electrically deconnected aunti-creep Solenoid could still cause problems? Is there a known mechanical failure mode which could hold brake pressure?
Does anyone know of a drawing showing the internal construction of this Solenoid?
Dave
Glyn: why do you think an electrically deconnected aunti-creep Solenoid could still cause problems? Is there a known mechanical failure mode which could hold brake pressure?
Does anyone know of a drawing showing the internal construction of this Solenoid?
Dave
Trending Topics
Although Glyn has suggested I might have a solution unfortunately I have the BW35 box and this does not have the anti creep that the DG250 had. I does sound like an anti creep problem but I have no idea how this actually works.
Thanks for the interesting ideas.
Glyn: why do you think an electrically deconnected aunti-creep Solenoid could still cause problems? Is there a known mechanical failure mode which could hold brake pressure?
Does anyone know of a drawing showing the internal construction of this Solenoid?
Dave
Glyn: why do you think an electrically deconnected aunti-creep Solenoid could still cause problems? Is there a known mechanical failure mode which could hold brake pressure?
Does anyone know of a drawing showing the internal construction of this Solenoid?
Dave
I have already done a search of my stored/accumulated material for a diagram. I will have another look in case I missed it but I don't remember ever having one.
Electrically disconnected items can be erratic in their behavior and that is what you are explaining/experiencing.
Look at the booster and lines that CF suggests. You might get lucky. In my experience it is not typical booster behavior on single circuit brakes. But you never know until you've checked.
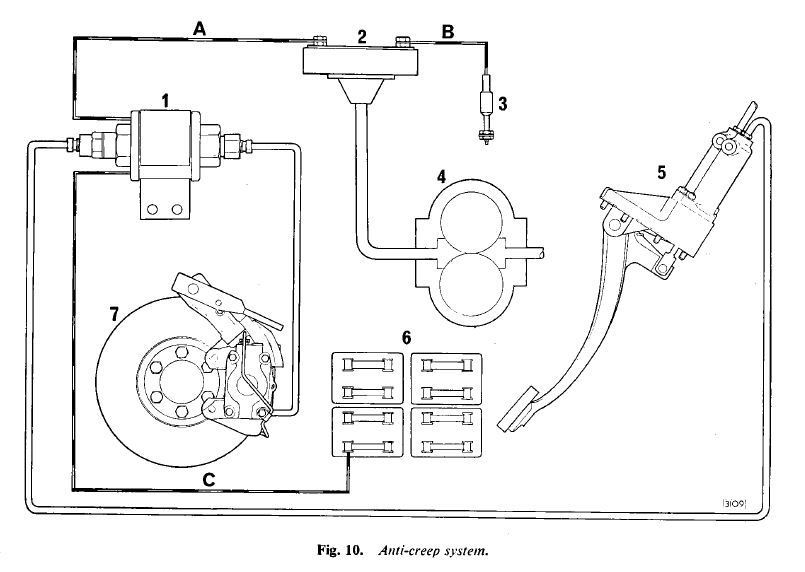
This is all I have on the anti creep so far. A separate Manual exists on the DG250 (Detroit Gears). Never seen a copy from Borg Warner. The Legend relates to that manual.
Last edited by Glyn M Ruck; Jul 16, 2022 at 10:18 AM.
Cass ~ I thought you could help with column shifters due to chats between you & Roland St. on the Register.
I doubt this has anything to do with the selector due to the selector gate being a metal plate with teeth that would hold the gear lever and therefore cable and gearbox in the correct position forever not letting it slip out over night. There are micro adjustors on the selector arms under the dash and a further micro adjustor on the bottom of the cable where it joins the gearbox but as stated there is little if not no chance of the gearbox being placed into a selected gear and then having it slip out into another gear position overnight.
Although not being au fait with the anti creep system I still thing this might be the culprit. As I understand the system it is an electrical solenoid that creates extra pressure on the brake fluid when you come to a halt. This locks the rear brakes on so the car cannot roll back. When you depress the accelerator, an electrical switch (Earth) is triggered and the solenoid is disengaged. This releases the brakes allowing the car to roll. Looking at the wiring diagram it does not make it clear as to how the anti creep solenoid is powered on as the power line just comes from the general direction of the gearbox but it is released by a switch on the accelerator pedal.
If it is the anti creep then as it is on it is getting power but is not going off. In which case check either that the switch on the accelerator is working correctly or that the solenoid itself is not sticking causing the system to maintain pressure on the rear brakes. I would go for the latter as overtime the solenoid with no power would slowing reset itself (overnight) allowing you to roll the car in neutral. Strip the solenoid out, give it a good clean and a touch of oil and see if the problem persists.
Another simple cause might be that the Anti creep is being set when you stop the car. You then switch off and drop it in to neutral, get out of the car to push it, but the anti creep has not been overridden by depressing the accelerator pedal and therefore stays on. Sometimes the simple option is the right one and just comes down to procedure. Try stopping the car, putting it in park and blipping the throttle before turning the engine off. Then when the ignition is off change from Park to Neutral with your foot on the brake. Might work.
Hope this has given you some ideas.
Although not being au fait with the anti creep system I still thing this might be the culprit. As I understand the system it is an electrical solenoid that creates extra pressure on the brake fluid when you come to a halt. This locks the rear brakes on so the car cannot roll back. When you depress the accelerator, an electrical switch (Earth) is triggered and the solenoid is disengaged. This releases the brakes allowing the car to roll. Looking at the wiring diagram it does not make it clear as to how the anti creep solenoid is powered on as the power line just comes from the general direction of the gearbox but it is released by a switch on the accelerator pedal.
If it is the anti creep then as it is on it is getting power but is not going off. In which case check either that the switch on the accelerator is working correctly or that the solenoid itself is not sticking causing the system to maintain pressure on the rear brakes. I would go for the latter as overtime the solenoid with no power would slowing reset itself (overnight) allowing you to roll the car in neutral. Strip the solenoid out, give it a good clean and a touch of oil and see if the problem persists.
Another simple cause might be that the Anti creep is being set when you stop the car. You then switch off and drop it in to neutral, get out of the car to push it, but the anti creep has not been overridden by depressing the accelerator pedal and therefore stays on. Sometimes the simple option is the right one and just comes down to procedure. Try stopping the car, putting it in park and blipping the throttle before turning the engine off. Then when the ignition is off change from Park to Neutral with your foot on the brake. Might work.
Hope this has given you some ideas.
Does the problem arise in normal driving? If so, it could be nothing at all to do with the transmission. It's possible for brake hoses to suffer internal collapse and hold pressure, brake cylinders to stick, or for the brake servo (booster) to stick.
I have had problems with the anti-creep during normal driving. It didn’t happen again since I removed the 2nd electrical connection at the Solenoid. I assume the 1st connection was the earth line and there is an earth short circuit inside the Solenoid.
To be honest, I find it difficult to believe a fully disconnected Solenoid can still cause problems. I assume the Solenoid normally pulls/pushes internally against a spring. In my case, this spring should be holding the valve permanently open. A drawing of the internal construction of the Solenoid would help, but seems to be non-existent.
Dave
Dear Jagboi64,
I started another thread asking about a heat shield which is supposed to protect heat from the exhaust pipes from damaging the rubber coupling in the lower steering column. I assume you have a LHD. Can you please help with that thread?
Dave
To be honest, I find it difficult to believe a fully disconnected Solenoid can still cause problems. I assume the Solenoid normally pulls/pushes internally against a spring. In my case, this spring should be holding the valve permanently open. A drawing of the internal construction of the Solenoid would help, but seems to be non-existent.
Dave
Dear Jagboi64,
I started another thread asking about a heat shield which is supposed to protect heat from the exhaust pipes from damaging the rubber coupling in the lower steering column. I assume you have a LHD. Can you please help with that thread?
Dave
Thread
Thread Starter
Forum
Replies
Last Post
eastgreen
MKI / MKII S type 240 340 & Daimler
3
Dec 26, 2019 03:37 AM
Currently Active Users Viewing This Thread: 1 (0 members and 1 guests)









