MKI / MKII S type 240 340 & Daimler 1955 - 1967

Front Engine Bracket orientation

Thread Tools
 
Search this Thread
 
Old Oct 10, 2020 | 07:55 AM
  #21  
Glyn M Ruck's Avatar
Veteran Member
Joined: Jul 2012
Posts: 5,546
Likes: 1,495
From: Llandudno, Cape Town, South Africa
Default

If you get a chance just lie under the car & see or feel which way the brackets are mounted ~ top hole to the front or to the rear.

Re brakes look at the master cylinder first as we have discussed on my thread. Check the inlet valve rubber first. You have previously suffered a brake pedal going to the floor incident. If it was the bore rubber you would have brake fluid dripping on your carpets by now unless the gaiter was still in very good condition.
 

Last edited by Glyn M Ruck; Oct 10, 2020 at 08:04 AM.
Reply
Old Oct 10, 2020 | 03:37 PM
  #22  
Jagboi64's Avatar
Veteran Member
10 Year Member
Liked
Loved
Community Favorite
Joined: Jan 2013
Posts: 5,253
Likes: 3,515
From: Calgary, Canada
Default

Originally Posted by Glyn M Ruck
Re brakes look at the master cylinder first as we have discussed on my thread. Check the inlet valve rubber first. You have previously suffered a brake pedal going to the floor incident. If it was the bore rubber you would have brake fluid dripping on your carpets by now unless the gaiter was still in very good condition.
I just had a brake failure this month as well. The fluid level was going down but I didn't see fluid on the carpets. It seemed to run down the housing and then down the outside of the firewall. A new master cylinder fixed everything anyway.

I had a real difficulty getting the new master cylinder to bleed until I used a Gunson Eezibleed in reverse. I had tried a pressure bleed at first and it didn't work, then I hooked up my vacuum pump that I use for air conditioning work to the Eezibleed. It took 6 fittings and 5 hoses to make all the crossovers work, but it did and I was able to apply vacuum to the reservoir bottle and only then did all the air come out and I got a solid pedal
 
Reply
Old Oct 10, 2020 | 03:40 PM
  #23  
Jagboi64's Avatar
Veteran Member
10 Year Member
Liked
Loved
Community Favorite
Joined: Jan 2013
Posts: 5,253
Likes: 3,515
From: Calgary, Canada
Default

Originally Posted by Cass3958
Where does the stabilizer 76 go? I looked all over my car and I could not find any place to attach them. I don't know if I am missing part of a bracket or it was a running change and they were deleted.

So far I have been driving without them and it seems fine.
 
Reply
Old Oct 10, 2020 | 07:01 PM
  #24  
Glyn M Ruck's Avatar
Veteran Member
Joined: Jul 2012
Posts: 5,546
Likes: 1,495
From: Llandudno, Cape Town, South Africa
Default

Originally Posted by Jagboi64
I just had a brake failure this month as well. The fluid level was going down but I didn't see fluid on the carpets. It seemed to run down the housing and then down the outside of the firewall. A new master cylinder fixed everything anyway.

I had a real difficulty getting the new master cylinder to bleed until I used a Gunson Eezibleed in reverse. I had tried a pressure bleed at first and it didn't work, then I hooked up my vacuum pump that I use for air conditioning work to the Eezibleed. It took 6 fittings and 5 hoses to make all the crossovers work, but it did and I was able to apply vacuum to the reservoir bottle and only then did all the air come out and I got a solid pedal
If the end gaiter on the shaft that connects to the pedal is in good order it can leak on either side of the firewall. If the gaiter is cracked or perished it will drip on the carpets.

Originally Posted by Jagboi64
Where does the stabilizer 76 go? I looked all over my car and I could not find any place to attach them. I don't know if I am missing part of a bracket or it was a running change and they were deleted.

So far I have been driving without them and it seems fine.
The stabalisers were deleted from very late cars to save money (along with fitting Ambla upholstery, cheaper carpets & fitting horn grills & making fog lamps an extra cost option etc). Silly move. Your car requires the correct engine block brackets & crossmember to attach them. They are there to counteract torque reaction on the engine mountings & stop the engine from canting over under acceleration etc. Most S Types have them.







 

Last edited by Glyn M Ruck; Oct 10, 2020 at 08:16 PM.
Reply
Old Oct 10, 2020 | 08:20 PM
  #25  
Jagboi64's Avatar
Veteran Member
10 Year Member
Liked
Loved
Community Favorite
Joined: Jan 2013
Posts: 5,253
Likes: 3,515
From: Calgary, Canada
Default

Do the rubber isolation pieces (Parts C, E, F) go into the front suspension crossmember? I'm going to have to look again, but I'm almost 100% sure mine does not have those brackets with holes for them to go through.
 
Reply
Old Oct 10, 2020 | 08:47 PM
  #26  
Glyn M Ruck's Avatar
Veteran Member
Joined: Jul 2012
Posts: 5,546
Likes: 1,495
From: Llandudno, Cape Town, South Africa
Default

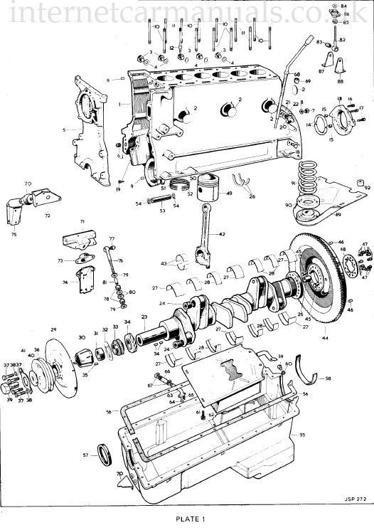
A ~ goes through a hole in the bracket you can see in the diagram above that is part of the crossmember with C,E,F on either side & metal spacer D controlling the compression you apply to the rubbers. You do up nuts B tight on either side. F are cup washers.
 
Reply
Old Oct 10, 2020 | 09:04 PM
  #27  
Glyn M Ruck's Avatar
Veteran Member
Joined: Jul 2012
Posts: 5,546
Likes: 1,495
From: Llandudno, Cape Town, South Africa
Default

My car. (work still in process)





 

Last edited by Glyn M Ruck; Oct 10, 2020 at 09:26 PM.
Reply
Old Oct 10, 2020 | 09:30 PM
  #28  
Jagboi64's Avatar
Veteran Member
10 Year Member
Liked
Loved
Community Favorite
Joined: Jan 2013
Posts: 5,253
Likes: 3,515
From: Calgary, Canada
Default

My front suspension cross member definitely does not have those mounting points. Thanks for the photos, it's very clear my car is different.
 
Reply
Old Oct 10, 2020 | 09:41 PM
  #29  
Glyn M Ruck's Avatar
Veteran Member
Joined: Jul 2012
Posts: 5,546
Likes: 1,495
From: Llandudno, Cape Town, South Africa
Default

Is your car a late 67 ~ 68 car under BMH/BLMC period of cost cutting? Some very early cars could also be highly variable as they were using up Mk2 bits & pieces.
 

Last edited by Glyn M Ruck; Oct 10, 2020 at 10:02 PM.
Reply
Old Oct 10, 2020 | 10:33 PM
  #30  
Jagboi64's Avatar
Veteran Member
10 Year Member
Liked
Loved
Community Favorite
Joined: Jan 2013
Posts: 5,253
Likes: 3,515
From: Calgary, Canada
Default

My car is a late October 65 build, but it had been in a front end collision and the subframe was very bent when I got it. I also bought a parts car as a package deal, and it was a 1967 model year. It was vin 7991X That is the subframe I am using now. I'm pretty sure the earlier one was identical, but I did the restoration 20 years ago, so I don't remember.
 

Last edited by Jagboi64; Oct 10, 2020 at 10:35 PM.
Reply
Old Oct 11, 2020 | 04:42 AM
  #31  
Cass3958's Avatar
Thread Starter
|
Veteran Member
5 Year Member
Liked
Loved
Community Favorite
Joined: Feb 2019
Posts: 1,599
Likes: 1,224
From: Torquay Devon England
Default

My S Type is a Sept 67 manuafactured car and does not come with the engine stabilisers. My cross member does not have the brackets as Glyns have to fit them. It is unclear when as in date they stopped fitting the stabilisers but the parts manual for the S Type states the following about the stabilisers
.
"Note front stabilising links C25150 and C12890 and their associated items are not required at chassis numbers 1B6406 and 1B25822 and subsequence on the 3.4. 1B57904 and 1B79036 and subsequence on the 3.8."

1B6406 is a RHD 3.4 and 1B25822 is a LHD 3.4 both built around Jan 66
1B57904 is a RHD 3.8 built around April 66 and 1B79036 is a LHD 3.8 build around Jan 66.

These build dates are taken from known chassis numbers around these quoted numbers on the S Type register.
 

Last edited by Cass3958; Oct 11, 2020 at 04:55 AM.
Reply
Old Oct 11, 2020 | 04:52 AM
  #32  
Cass3958's Avatar
Thread Starter
|
Veteran Member
5 Year Member
Liked
Loved
Community Favorite
Joined: Feb 2019
Posts: 1,599
Likes: 1,224
From: Torquay Devon England
Default

For the assistance of everyone I have attached a photo clearly showing the holes in the bracket for you.

Those holes with the black arrows are the ones used to bolt the bracket to the chassis leg.

The bottom hole with the yellow arrow is in the middle if the front face facing the side of the sump.

The upper hole circled in yellow is hole we are interested in as you can see from this photo when judged against the vertical line it is off set to the left. Neither of these holes are actually used to bolt anything to.

This photo is looking from the back of the bracket but we would like to know from anyone with an unmolested Mk2 or S Type where this bracket has perhaps not been removed, which way is the upper hole orientated. Is it closer to the back of the car or closer to the front of the car please.

 
Reply
Old Oct 11, 2020 | 06:21 AM
  #33  
Glyn M Ruck's Avatar
Veteran Member
Joined: Jul 2012
Posts: 5,546
Likes: 1,495
From: Llandudno, Cape Town, South Africa
Default

Originally Posted by Cass3958
My S Type is a Sept 67 manuafactured car and does not come with the engine stabilisers. My cross member does not have the brackets as Glyns have to fit them. It is unclear when as in date they stopped fitting the stabilisers but the parts manual for the S Type states the following about the stabilisers
.
"Note front stabilising links C25150 and C12890 and their associated items are not required at chassis numbers 1B6406 and 1B25822 and subsequence on the 3.4. 1B57904 and 1B79036 and subsequence on the 3.8."

1B6406 is a RHD 3.4 and 1B25822 is a LHD 3.4 both built around Jan 66
1B57904 is a RHD 3.8 built around April 66 and 1B79036 is a LHD 3.8 build around Jan 66.



These build dates are taken from known chassis numbers around these quoted numbers on the S Type register.
That's interesting Rob. Never thought of looking at production dates on the Register. I wonder what they mean by "not required." I think they are a good idea & better locate the engine. My car according to records was No 4 off of the SA production line. Was supposed to be built in 66 according to CKD records but just got registered at end of 65. Chassis number A1B56966DN. (Never been able to explain these slight discrepancies as even David's write up on CKD cars states "Actually, the first South African-assembled ‘S’-type, chassis no. A1B56963DN, rolled out of the CDA plant in January 1966.") Of course they would have to get the kits to SA. Kits for the approx 850 cars built in SA came in 2 batches of consecutive numbers. A for cars built at CDA East London & B for cars built at the Jaguar & Land Rover plant in Blackheath Cape Town. All SA built cars were 3.8 models with PS.

Jagbois' car has a 67 subframe so that answers that. He can check his chassis number against what you have kindly noted above for originality.
 

Last edited by Glyn M Ruck; Oct 11, 2020 at 03:45 PM.
Reply
Old Oct 11, 2020 | 06:49 AM
  #34  
Jose's Avatar
Veteran Member
15 Year Member
Liked
Loved
Community Favorite
Joined: Mar 2007
Posts: 9,141
Likes: 2,663
From: Florida
Default

my S type was built in '64 and shipped.to California where it was sold and registered as a '65, but it arrived in California in '64 and the State of California added an aluminium tag at the firewall which reads "J / 64".

the engine is a 9:1 compression 3.8 litre and it has the stabilizers which I call "links" because they look exactly like the end Links of a sway bar, with 4 rubber bushings each and similar cup washers and hardware.

I replaced the 8 rubber bushings because they were deteriorated, while removing each link I feared the engine would move out of place but nothing happened, it was a very easy job other than the driver's side stabilizer which is in conflict with the steering box and was not exactly easy to r & r.

I suppose they were eliminated because of the additional labor and effort to install them. Probably 10 to 15 minutes of additional labor / time for a practiced assembler.

I will examine the engine mounts again a.s.a.p.




 
Reply
Old Oct 11, 2020 | 07:50 AM
  #35  
Cass3958's Avatar
Thread Starter
|
Veteran Member
5 Year Member
Liked
Loved
Community Favorite
Joined: Feb 2019
Posts: 1,599
Likes: 1,224
From: Torquay Devon England
Default

According to the S Type register Glyn your car should be Old English white with a red interior and steel disc wheels! Not very original now is it? lol.
 
Reply
Old Oct 11, 2020 | 01:44 PM
  #36  
Glyn M Ruck's Avatar
Veteran Member
Joined: Jul 2012
Posts: 5,546
Likes: 1,495
From: Llandudno, Cape Town, South Africa
Default

Yes ~ That's how she started life & detail I gave David. My original pics of the car are pre digital. Wires were always intended. Not even open to discussion.

Every second S Type built in SA was Old English White over red. By far the most popular combo at the time. I wanted to move away from that but keep the car very traditional. Even the unit tested by our local "CAR" Magazine was that combo & could have actually been my car.

Back on the subject of engine mounts. I was always accustomed to the large crusty engine mounts Alfa used. I was surprised when stripping my car how weedy the engine mounts where. I guess it's testament to the smooth running of the XK engine. My mother's 65 Chrysler Valiant slant 6, 3.7 litre at the time ~ was also white but with blue interior also had large rubber mounts.
 

Last edited by Glyn M Ruck; Oct 11, 2020 at 03:56 PM.
Reply
Old Oct 11, 2020 | 01:49 PM
  #37  
Cass3958's Avatar
Thread Starter
|
Veteran Member
5 Year Member
Liked
Loved
Community Favorite
Joined: Feb 2019
Posts: 1,599
Likes: 1,224
From: Torquay Devon England
Default

You will have to send David the new details as a reminder so he can update it. He can draw the photos off the forum for his file.
 
Reply
Old Oct 11, 2020 | 02:22 PM
  #38  
Glyn M Ruck's Avatar
Veteran Member
Joined: Jul 2012
Posts: 5,546
Likes: 1,495
From: Llandudno, Cape Town, South Africa
Default

I gave him all the details of how the car was post restoration & he ignored them. Even sent him pics. Sent him everything in one message.
 

Last edited by Glyn M Ruck; Oct 11, 2020 at 02:26 PM.
Reply
Old Oct 11, 2020 | 02:40 PM
  #39  
Cass3958's Avatar
Thread Starter
|
Veteran Member
5 Year Member
Liked
Loved
Community Favorite
Joined: Feb 2019
Posts: 1,599
Likes: 1,224
From: Torquay Devon England
Default

Odear!
 
Reply
Old Oct 11, 2020 | 03:54 PM
  #40  
Glyn M Ruck's Avatar
Veteran Member
Joined: Jul 2012
Posts: 5,546
Likes: 1,495
From: Llandudno, Cape Town, South Africa
Default

I've done him a lot of favours lately so maybe I will request he expand slightly on my car's listing. I'm not over phased by it.
 
Reply



All times are GMT -5. The time now is 01:53 AM.