Help with part number!
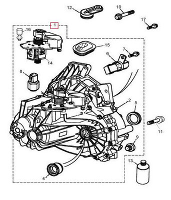
Hi can anyone help me with some part numbers, or official names, of no 14 and no 8 from the attached picture. The car is a 2002 Jaguar x-type 3.0 sport manual Thank you in advance
8 = Reverse Lamp Switch
14 = Mechanism
Item 8 is helpful but 14 must count as the most useless description I've ever seen in a parts manual!
Graham
From JEPC:
To VIN (E92414) JDE2920
From VIN (E92415) to VIN (J22811) C2N3912
From VIN (J22812) C2S47834
JTIS says it is Selector Mechanism
Hope this helps
To VIN (E92414) JDE2920
From VIN (E92415) to VIN (J22811) C2N3912
From VIN (J22812) C2S47834
JTIS says it is Selector Mechanism
Hope this helps
Last edited by MRomanik; Jun 27, 2012 at 01:10 PM. Reason: update
Thread
Thread Starter
Forum
Replies
Last Post
Wolfy
XJ ( X351 )
58
May 28, 2024 08:06 AM
Tar
XJ6 & XJ12 Series I, II & III
13
Sep 6, 2015 11:24 AM
Currently Active Users Viewing This Thread: 1 (0 members and 1 guests)










Two posts with the part #s. Haha.
