XK8 / XKR ( X100 ) 1996 - 2006

2003 SC XKR Starter and Ground Strap Question

Thread Tools
 
Search this Thread
 
Old Mar 21, 2020 | 02:51 PM
  #21  
mhminnich's Avatar
Senior Member
10 Year Member
Liked
Loved
Community Favorite
Joined: Oct 2014
Posts: 896
Likes: 706
From: Arlington, Texas
Default

"The XJS work has been going beautifully! Rebuilding my injector wiring (don't laugh) now."

I have done that and I Am laughing! The more crispy wire you pinch off to replace the more you find before it. LOL

 
Reply
Old Mar 21, 2020 | 05:28 PM
  #22  
michaelh's Avatar
Veteran Member
10 Year Member
Liked
Loved
Community Favorite
Joined: Apr 2014
Posts: 4,814
Likes: 3,028
From: Jersey, Channel Islands
Default correction

deleted because I'm being an idiot
 

Last edited by michaelh; Mar 22, 2020 at 02:16 PM.
Reply
Old Mar 21, 2020 | 09:23 PM
  #23  
JayJagJay's Avatar
Thread Starter
|
Veteran Member
5 Year Member
Liked
Loved
Community Favorite
Joined: Sep 2016
Posts: 4,277
Likes: 1,314
From: New York New York
Default

Originally Posted by michaelh
I've looked properly at the 2003 wiring diagram and this is the wrong way round. The TCM provides GROUND to the starter relay in P or N, the ECM provides the B+.

My apologies.
I've just read thru many of my past posts and they come across as confusing as I am... I'll try to do better...

Thanks, Michael and all - for sticking with me and for the encouragement...

Michael,,, What I understood is that on 2003 xkrs the tcm is built into or part of the ecm? I don't believe there is a separate tcm - transmission control module in the 2003 xkr. Is that right?

About the starter relay. so with batttry connected and key OFF, I get ZERO volts on the poles/slots of the starter plug (the female plug end) the relay plugs into on the RH side near the fuse box. I am measuring the "trigger" or signal side that engages/activates the relay at the plug... The slots that engage the electro magnet to make contact, which then engages/activates the higher amperage side to the solenoid on the starter...

If I bridge the two slots that are the higher amperage side with the key ON, the starter motor will turn smoothly and strongly.

When I turn the key to on, with probes in the "trigger" side of the relay plug, I get 12v on my DMM. Should be enough to active/engage the relay...? I get 12v from one side and I presume the other slot completes the circut and gives me a ground signal. Isn't that ground at the trigger side of the relay plug coming from the ECM? If so, that's a sign that the ECM has accomplished the "ok to start" and is functioning, correct, right? As opposed to not getting the OK TO START because of a security fault in the BPM or from the SCLM and not grounding, thus not energizing the relay to engage the starter... Am I headed in the right direction here in my thinking?

Thing is, I cannot figure out why the starter will not engage on key turn.





 
Reply
Old Mar 22, 2020 | 04:34 AM
  #24  
michaelh's Avatar
Veteran Member
10 Year Member
Liked
Loved
Community Favorite
Joined: Apr 2014
Posts: 4,814
Likes: 3,028
From: Jersey, Channel Islands
Default

Originally Posted by JayJagJay
Michael,,, What I understood is that on 2003 xkrs the tcm is built into or part of the ecm? I don't believe there is a separate tcm - transmission control module in the 2003 xkr. Is that right?
The TCM is inside the transmission itself on the ZF 6HP26 (all the 4.2s).

Originally Posted by JayJagJay
If I bridge the two slots that are the higher amperage side with the key ON, the starter motor will turn smoothly and strongly.
That's what I'd expect, and if it works consistently then I'd rule out the starter motor.

Originally Posted by JayJagJay
When I turn the key to on, with probes in the "trigger" side of the relay plug, I get 12v on my DMM. Should be enough to active/engage the relay...? I get 12v from one side and I presume the other slot completes the circut and gives me a ground signal. Isn't that ground at the trigger side of the relay plug coming from the ECM? If so, that's a sign that the ECM has accomplished the "ok to start" and is functioning, correct, right? As opposed to not getting the OK TO START because of a security fault in the BPM or from the SCLM and not grounding, thus not energizing the relay to engage the starter... Am I headed in the right direction here in my thinking?
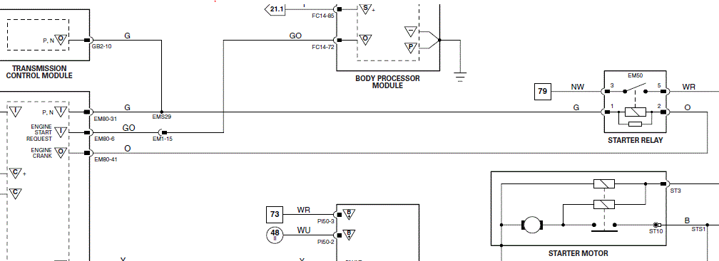
Here's the relevant snippet of the 2003 diagram again:



Pins 3 and 5 on the relay are in the circuit to the starter motor solenoid. Pin 3 should be B+ always, pin 5 B+ once the relay has actuated.

Pin 1 on the relay should be supplied B+ by the TCM when the shift is in P or N (the green wire). Note that signal is also an input to the ECM on EM30-81.
To fire the relay, the ECM grounds pin 2 (orange wire). If all is in order, that should enegise the relay and therefore the starter motor.

I agree with your logic that the ECM would only output the crank signal once the security committee of ECM, BPM & KTM has agreed that all is in order.
 

Last edited by michaelh; Mar 22, 2020 at 02:15 PM.
Reply
Old Mar 22, 2020 | 08:18 AM
  #25  
JayJagJay's Avatar
Thread Starter
|
Veteran Member
5 Year Member
Liked
Loved
Community Favorite
Joined: Sep 2016
Posts: 4,277
Likes: 1,314
From: New York New York
Default

Originally Posted by michaelh
The TCM is inside the transmission itself on the ZF 6HP26 (all the 4.2s).


That's what I'd expect, and if it works consistently then I'd rule out the starter motor.



Here's the relevant snippet of the 2003 diagram again:



Pins 3 and 5 on the relay are in the circuit to the starter motor solenoid. Pin 3 should be B+ always, pin 5 B+ once the relay has actuated.

Pin 1 on the relay should be grounded by the TCM when the shift is in P or N (the green wire). Note that signal is also an input to the ECM on EM30-81.
To fire the relay, the ECM outputs 12V to pin 2 (orange wire). If all is in order, that should enegise the relay and therefore the starter motor.

Check the voltage on pin 1 of the relay while trying a start when the car is playing up. It should remain at 0V.

I agree with your logic that the ECM would only output the crank signal once the security committee of ECM, BPM & KTM has agreed that all is in order.
Amazing and great info. Thank you... I should have realized/recognized the TCM as I have looked at that diagram many times... In looking at my ED there are a few labels that are missing, connection points. I will need to check them all, as best I can.

I will test the individual pins with the thinking and NEW info you've given me!

Today I will test the relay pins/plug thru different gears at the jgate... The shifter seems to be sending signals for difference thru each gear (can't pull key when off and in gear,,, reverse audible signals,,, audibles cease when returned to park, gears illuminate without blinking etc), but I'll have a measure and see what happens at the relay plug while I'm shifting. Haven't done that!

The transmission had lots of water in it and although I've run 2dozen gallons of fresh fluid thru it, I haven't dropped the pan yet... TCM in the pan + h20 scares the BeeJeeeezus out of me.

 
Reply
Old Mar 22, 2020 | 09:13 AM
  #26  
JayJagJay's Avatar
Thread Starter
|
Veteran Member
5 Year Member
Liked
Loved
Community Favorite
Joined: Sep 2016
Posts: 4,277
Likes: 1,314
From: New York New York
Default

Originally Posted by michaelh
The TCM is inside the transmission itself on the ZF 6HP26 (all the 4.2s).


That's what I'd expect, and if it works consistently then I'd rule out the starter motor.



Here's the relevant snippet of the 2003 diagram again:



Pins 3 and 5 on the relay are in the circuit to the starter motor solenoid. Pin 3 should be B+ always, pin 5 B+ once the relay has actuated.

Pin 1 on the relay should be grounded by the TCM when the shift is in P or N (the green wire). Note that signal is also an input to the ECM on EM30-81.
To fire the relay, the ECM outputs 12V to pin 2 (orange wire). If all is in order, that should enegise the relay and therefore the starter motor.

Check the voltage on pin 1 of the relay while trying a start when the car is playing up. It should remain at 0V.

I agree with your logic that the ECM would only output the crank signal once the security committee of ECM, BPM & KTM has agreed that all is in order.
Ok. At the car...

If I put DMM probes in sockets 1 and 2 at the starter relay plug and turn the key I get B+... If I pull the shifter from P to R, D or other gears, drops to 0... In N,,, B+... Still, NO CRANK.

I know that there are other systems to consider, but still I am perplexed... And tired... Absolutely will continue hopefully to solve this,,,, but yeah, tired.

I can manually open and close the top with one hand. That's good and, lol, I'm getting fuel rail pressure fault codes, I guess we can call that GOOD, for now, too...

Gunna figure this OUT!
 
Reply
Old Mar 22, 2020 | 09:25 AM
  #27  
JayJagJay's Avatar
Thread Starter
|
Veteran Member
5 Year Member
Liked
Loved
Community Favorite
Joined: Sep 2016
Posts: 4,277
Likes: 1,314
From: New York New York
Default

Ok... If I probe the underside of the plug, relay in, B+ all the time.

It seems like there must be something else at the very last moment that prohibits the crank.

And if I jump it, it spins.
 
Reply
Old Mar 22, 2020 | 09:35 AM
  #28  
JayJagJay's Avatar
Thread Starter
|
Veteran Member
5 Year Member
Liked
Loved
Community Favorite
Joined: Sep 2016
Posts: 4,277
Likes: 1,314
From: New York New York
Default

Hmm. Key off and out. Probing pin 2 (which seems to be ground) and the other probe on B+ at the fuse box junction under the hood in the same area. Pin 2 is still function as ground with car off... I thought that the signal to actuate was controlled by grounding by the ECU or the TCM? That in key turn a ground signal would be sent to the relay activating it and sending power to the starter solenoid?

0 volts at pin 1 with key off/out...
 
Reply
Old Mar 22, 2020 | 11:55 AM
  #29  
michaelh's Avatar
Veteran Member
10 Year Member
Liked
Loved
Community Favorite
Joined: Apr 2014
Posts: 4,814
Likes: 3,028
From: Jersey, Channel Islands
Default

Originally Posted by JayJagJay
Ok... If I probe the underside of the plug, relay in, B+ all the time.
It seems like there must be something else at the very last moment that prohibits the crank.
And if I jump it, it spins.
Is this on pin 1 of the relay?

Originally Posted by JayJagJay
I thought that the signal to actuate was controlled by grounding by the ECU or the TCM? That in key turn a ground signal would be sent to the relay activating it and sending power to the starter solenoid?
It's both, but like this:- the TCM sends B+ to pin 1 of the relay in P or N. The ECM grounds pin 2 when security is happy. I'm wondering if there's a poor connection to pins 1 or 2. A DMM only draws a tiny current so you wouldn't necessarily see a voltage drop if there was a poor connection.
 

Last edited by michaelh; Mar 22, 2020 at 02:12 PM. Reason: correction
Reply
Old Mar 22, 2020 | 12:28 PM
  #30  
JayJagJay's Avatar
Thread Starter
|
Veteran Member
5 Year Member
Liked
Loved
Community Favorite
Joined: Sep 2016
Posts: 4,277
Likes: 1,314
From: New York New York
Default

Originally Posted by michaelh
Is this on pin 1 of the relay?


It's both, but like this:- the TCM grounds pin 1 of the relay in P or N. The ECM sends B+ when security is happy. I'm wondering if there's a poor connection to pins 1 or 2. A DMM only draws a tiny current so you wouldn't necessarily see a voltage drop if there was a poor connection. Can you monitor the voltage on pin 1 with the relay in place while trying to crank. It should always be 0V - ground.
Yes, pin 1, green wire...

About the poor connection at the pins, I was wondering the same thing... I can't do it myself,,, turn the key and be at the relay,,, but I don't think (I know) it activating/making contact. I have a relay on the plug now with NO cover, plugged in. If I push the connector over to MAKE contact, the engine and starter spin...

Also, I don't think I am getting any spark... It's been kinda tough to test but I'm almost certain of it...
 
Reply
Old Mar 22, 2020 | 12:45 PM
  #31  
JayJagJay's Avatar
Thread Starter
|
Veteran Member
5 Year Member
Liked
Loved
Community Favorite
Joined: Sep 2016
Posts: 4,277
Likes: 1,314
From: New York New York
Default

It seems green is the positive... If I turn OVER the relay plug with the relay in place and squish a length of wire into the underside, pin 2 orange,,, the relay will activate and the starter will spin, no start,,, just spin...

Bat ****!
 
Reply
Old Mar 22, 2020 | 01:02 PM
  #32  
mhminnich's Avatar
Senior Member
10 Year Member
Liked
Loved
Community Favorite
Joined: Oct 2014
Posts: 896
Likes: 706
From: Arlington, Texas
Default

I always ask myself, "How long am I willing to deal with a troubling problem before I just do something to make it work?" By now I'd already have wired up a pushbutton to energize the starter relay manually. Lol
 
Reply
Old Mar 22, 2020 | 01:23 PM
  #33  
michaelh's Avatar
Veteran Member
10 Year Member
Liked
Loved
Community Favorite
Joined: Apr 2014
Posts: 4,814
Likes: 3,028
From: Jersey, Channel Islands
Default

Originally Posted by JayJagJay
Yes, pin 1, green wire... I have a relay on the plug now with NO cover, plugged in. If I push the connector over to MAKE contact, the engine and starter spin...
So when you manually operate the relay, the starter spins. Barring a faulty relay, that leaves only two possibilities: No ground to the relay and/or no B+.

Originally Posted by JayJagJay
It seems green is the positive... If I turn OVER the relay plug with the relay in place and squish a length of wire into the underside, pin 2 orange,,, the relay will activate and the starter will spin, no start,,, just spin...
Green is B+ from the TCM. So you're saying there's a poor contact to pin 2 of the relay that poking a piece of wire temporarily fixes?

Originally Posted by JayJagJay
Also, I don't think I am getting any spark... It's been kinda tough to test but I'm almost certain of it...
Park the spark for the mo until you get the relay responding to the key turn.
 

Last edited by michaelh; Mar 22, 2020 at 02:11 PM. Reason: correction
Reply
Old Mar 22, 2020 | 01:45 PM
  #34  
JayJagJay's Avatar
Thread Starter
|
Veteran Member
5 Year Member
Liked
Loved
Community Favorite
Joined: Sep 2016
Posts: 4,277
Likes: 1,314
From: New York New York
Default

Originally Posted by michaelh
So when you manually operate the relay, the starter spins. Barring a faulty relay, that leaves only two possibilities: No ground to the relay and/or no B+.


Green is the ground from the TCM. So you're saying there's a poor contact to pin 2 of the relay that poking a piece of wire temporarily fixes?



Park the spark for the mo until you get the relay responding to the key turn.
I think the spark and the key turn no crank are related. For some reason,,, although I can't point to the source or reason,,, I don't think the TCM, BPM or ECM are sending the needed "checks" to give the green light to the involved systems. I don't know why.

I've checked all fuses (again) and have swapped out relays. Relays I have at least tested for tripping when voltage is applied.

I've opened the KTM,,, the BPM and the ECM looking for obvious signs of BURN, but they look clean as a whistle. At the moment everything is back together, as right as I can get it, and the negative is clipped to the positive terminal for a "hard reset".

Green is the ground from the TCM. So you're saying there's a poor contact to pin 2 of the relay that poking a piece of wire temporarily fixes?

The green wire is the positive. When I probe the sockets with the relay out I get B+ on green/pin 1 and Ground on orange/pin 2... WITH KEY ON,,,, If I leave the relay in the socket/plugged in, turn it over and jam one end of a length of wire into the space in the underside at the ORANGE pin and then touch the other end of the wire to a negative earth ground,,, the relay engages and the starter spins. No start, just crank. It doesn't seem that I'm getting the ground signal from ---- whichever MODULE is supposed to be sending it... PITA

Found something else... I have the "REAL GAUGE". It came with the car. I checked and 3 of the four solder points had broken off on the connector that plugs directly into the OEM off the cluster connector... I took it home and resoldered it, seems to be working properly now. But resoldering it had an effect on something in the way the car responds when I reconnect the battery after a "reset" I get chirps and dings from the instrument cluster,,, or a signal system,,, that I wasn't getting this morning... I believe the MICluster also has something to do with PreStartUp system check...

PITA

Oh and,,, rigging up a button would work here,,, but that's for the helpful suggestion, Minch....
 
Reply
Old Mar 22, 2020 | 02:31 PM
  #35  
michaelh's Avatar
Veteran Member
10 Year Member
Liked
Loved
Community Favorite
Joined: Apr 2014
Posts: 4,814
Likes: 3,028
From: Jersey, Channel Islands
Default

Originally Posted by JayJagJay
I think the spark and the key turn no crank are related. For some reason,,, although I can't point to the source or reason,,, I don't think the TCM, BPM or ECM are sending the needed "checks" to give the green light to the involved systems. I don't know why.

I've checked all fuses (again) and have swapped out relays. Relays I have at least tested for tripping when voltage is applied.

I've opened the KTM,,, the BPM and the ECM looking for obvious signs of BURN, but they look clean as a whistle. At the moment everything is back together, as right as I can get it, and the negative is clipped to the positive terminal for a "hard reset".

Green is the ground from the TCM. So you're saying there's a poor contact to pin 2 of the relay that poking a piece of wire temporarily fixes?

The green wire is the positive. When I probe the sockets with the relay out I get B+ on green/pin 1 and Ground on orange/pin 2... WITH KEY ON,,,, If I leave the relay in the socket/plugged in, turn it over and jam one end of a length of wire into the space in the underside at the ORANGE pin and then touch the other end of the wire to a negative earth ground,,, the relay engages and the starter spins. No start, just crank. It doesn't seem that I'm getting the ground signal from ---- whichever MODULE is supposed to be sending it... PITA

Found something else... I have the "REAL GAUGE". It came with the car. I checked and 3 of the four solder points had broken off on the connector that plugs directly into the OEM off the cluster connector... I took it home and resoldered it, seems to be working properly now. But resoldering it had an effect on something in the way the car responds when I reconnect the battery after a "reset" I get chirps and dings from the instrument cluster,,, or a signal system,,, that I wasn't getting this morning...
OK - you are correct. I must be hallucinating. As I originally stated, the TCM supplies B+ in P or N to pin 1 of the starter relay. The ECM should ground pin 2 if everything checks out, and the relay will energise:



I've gone back over my posts and edited them

So, you should see B+ on relay pins 1 and 2 with the ignition on. Pin 2 should drop to 0V when you try to crank. If it doesn't, the ECM has decided that there is a problem. Is this what is happening?

The beeping may be the RealGauge 'rebooting' when the power is reapplied?
 
Reply
Old Mar 22, 2020 | 03:01 PM
  #36  
JayJagJay's Avatar
Thread Starter
|
Veteran Member
5 Year Member
Liked
Loved
Community Favorite
Joined: Sep 2016
Posts: 4,277
Likes: 1,314
From: New York New York
Default

Originally Posted by michaelh
OK - you are correct. I must be hallucinating. As I originally stated, the TCM supplies B+ in P or N to pin 1 of the starter relay. The ECM should ground pin 2 if everything checks out, and the relay will energise:



I've gone back over my posts and edited them

So, you should see B+ on relay pins 1 and 2 with the ignition on. Pin 2 should drop to 0V when you try to crank. If it doesn't, the ECM has decided that there is a problem. Is this what is happening?

The beeping may be the RealGauge 'rebooting' when the power is reapplied?
Just tested. NO RELAY PLUGGED IN...
Pin 1/Green B+ key on
Pin 2/Orange 0v nothing, key on

Key off, both zero

Key on in D or R pin 1/green, drops to 0zero volts... Back in N or P back to B+ 12v

Key on D or P pin 2/orange - no change. 0 zero volts.

That's what I'm looking at

If I take a reading with the DMM connected to 12v at the positive terminal/post in the engine compartment fuse box,,, and the other to pin2/orange - screen on DMM shows 12v B+ key on, off in any gear....

If I do the same (between B+ in the fuse box and the empty slot in the plug) I get 12v key off. Key on, in park or neutral I get a WEIRD reading of .76v (which I think is some sort of,,,, I dunno) and when I put it in D or R it goes back up to B+ or 12v.

Hope this makes some sense...?

I can't make heads or tails of it.
But hey,,, it's a beautiful day...

 
Reply
Old Mar 22, 2020 | 04:02 PM
  #37  
michaelh's Avatar
Veteran Member
10 Year Member
Liked
Loved
Community Favorite
Joined: Apr 2014
Posts: 4,814
Likes: 3,028
From: Jersey, Channel Islands
Default

Hi, I put comments in green instead of multi-quote for a change

Just tested. NO RELAY PLUGGED IN...
Pin 1/Green B+ key on
That's fine.

Pin 2/Orange 0v nothing, key on
There's no relay coil to pull it up to B+, and the ECM isn't trying to do anything. In this state, the signal line from it is likely 'floating', as in not meaningfully connected to anything, so a ~0V reading is OK. I'd expect this to be B+ with the relay plugged in.

Key off, both zero
OK

Key on in D or R pin 1/green, drops to 0zero volts... Back in N or P back to B+ 12v
That's fine and doing what it should. Only in P or N is there a B+ to the relay

Key on D or P pin 2/orange - no change. 0 zero volts.
With no relay, that's fine. Note that doesn't mean it's grounded, more that there's effectively no proper connection at the other end of the wire (floating). What it should do is drop to 0V with the relay in place when you try to start the car.

That's what I'm looking at

If I take a reading with the DMM connected to 12v at the positive terminal/post in the engine compartment fuse box,,, and the other to pin2/orange - screen on DMM shows 12v B+ key on, off in any gear....
With a DMM, that's possible as it draws very little current. Try an incandescent lamp - I'd expect it not to light up

If I do the same (between B+ in the fuse box and the empty slot in the plug) I get 12v key off. Key on, in park or neutral I get a WEIRD reading of .76v (which I think is some sort of,,,, I dunno) and when I put it in D or R it goes back up to B+ or 12v.
That sounds like residual leakage on the TCM output when it's not meant to delivering the B+. I imagine you can ignore it.

There's a similar situation with LED lamps in the front parking and side marker lamps. I have them in both places and they glow slightly until the car goes to sleep


Hope this makes some sense...?

I can't make heads or tails of it.
But hey,,, it's a beautiful day...

 
Reply
Old Mar 22, 2020 | 07:22 PM
  #38  
mhminnich's Avatar
Senior Member
10 Year Member
Liked
Loved
Community Favorite
Joined: Oct 2014
Posts: 896
Likes: 706
From: Arlington, Texas
Default

Have you cleaned EVERY chassis ground? Weird glowing of lamps is often associated with ground issues. One of those might be impacting the relevant modules. Considering yours went swimming at one time, I'd consider everything suspect.
 
Reply
Old Mar 22, 2020 | 07:38 PM
  #39  
JayJagJay's Avatar
Thread Starter
|
Veteran Member
5 Year Member
Liked
Loved
Community Favorite
Joined: Sep 2016
Posts: 4,277
Likes: 1,314
From: New York New York
Default

Originally Posted by mhminnich
Have you cleaned EVERY chassis ground? Weird glowing of lamps is often associated with ground issues. One of those might be impacting the relevant modules. Considering yours went swimming at one time, I'd consider everything suspect.
I don't know if I've cleaned every every ground point but I have clear several. From observation, they look fine and then (and I'm guessing this is to do with current and the h20) when I separate the nutt and the loop connectors at the ground point I find a fine build up of hard mineral... I have cleaned up several tho, thanks

I will NEED to get one of those mongoose contraptions and a diagnostic set up, I think. I didn't want to have to buy it seems things are going in that direction
 
Reply
Old Mar 23, 2020 | 09:50 AM
  #40  
JayJagJay's Avatar
Thread Starter
|
Veteran Member
5 Year Member
Liked
Loved
Community Favorite
Joined: Sep 2016
Posts: 4,277
Likes: 1,314
From: New York New York
Default

Bummer. Raining good here today.

I went over to the car none the less.
I had done a little reading about the Convertible top and did not find exactly what I was looking for BUT I saw something about locking the rams and top in their uppermost position (thanks David!)... When I got to the car, positive and negative battery cables dis-connected from battery and clipped together overnight for a "reset", before connecting the cables I found that neither ram (which I had recently replaced and installed - along with other roof work) were in their uppermost positions. I locked them up! Again, thanks David for the diagrams in another thread.

I should say this doesn't end with great news, or anything...

Anyways, I remembered that with the rear windows plugged in, when I would connect the battery, the rear quarters would go down auto. I didn't know why... I had gotten to the point where I was sick of having to manually run them up when working or finished for the day. So I unplugged them. They were going down because the RAM sensor was not in locked position...???

Question is,,, when the car is confused about the roof position will it inhibit starting? Car thought roof was down - evidence by auto lowering windows as soon as power was supplied, keys out of ignition.. BUT roof latched at windscreen - no message on the dash but ALWAYS one when the roof wasn't latched at the windscreen Pilar... BUT again, car understanding the roof is down due to RAMS (specifically the RH latch with the sensor built in) NOT being in the locked or uppermost position - is the car thinking roof is open...?

Blah blah blah - will this MESS cause a no start, inhibit start?
 
Reply



All times are GMT -5. The time now is 03:04 AM.