XJ ( X351 ) 2009 - 2019

Rear view mirror wires

Thread Tools
 
Search this Thread
 
Old Jul 10, 2025 | 10:55 PM
  #1  
Meanmugga's Avatar
Thread Starter
|
Senior Member
5 Year Member
Liked
Loved
Community Favorite
Joined: Dec 2016
Posts: 296
Likes: 56
From: Florida
Default Rear view mirror wires

I've searched and couldn't find anything.. and I can't seem to find my voltage detector.
would anyone happen to know the schematic for the rearview mirror? Adding a dashcam and thinking about tapping into the harness for power.
 
Reply
Old Jul 11, 2025 | 03:32 PM
  #2  
Thermo's Avatar
Veteran member
Veteran: Navy
15 Year Member
Top Answer: 1
Joined: May 2008
Posts: 14,803
Likes: 4,102
From: Great Mills, MD
Default

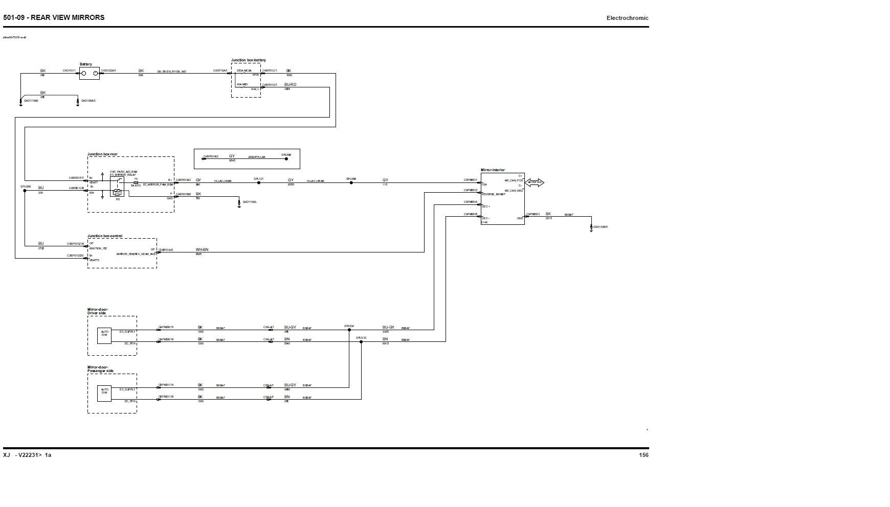
You didn't specify what year car you had or any applicable options, but here is a diagram for a 2012. So, follow on cars should be very similar.

rear view mirror wiring for 2012 XJ
rear view mirror wiring for 2012 XJ
 
Reply
Old Jul 11, 2025 | 07:36 PM
  #3  
Meanmugga's Avatar
Thread Starter
|
Senior Member
5 Year Member
Liked
Loved
Community Favorite
Joined: Dec 2016
Posts: 296
Likes: 56
From: Florida
Default

Sorry thought it would be the same in all X351 MY. Mine is a 2016.

And thank you very much!
 
Reply
Old Jul 12, 2025 | 07:49 AM
  #4  
Thermo's Avatar
Veteran member
Veteran: Navy
15 Year Member
Top Answer: 1
Joined: May 2008
Posts: 14,803
Likes: 4,102
From: Great Mills, MD
Default

Mugga, see what you have at your mirror. It may very well be the same. I do not know of any major things that they changed near the mirror that would affect the wiring.
 
Reply
Old Jul 13, 2025 | 10:34 PM
  #5  
Meanmugga's Avatar
Thread Starter
|
Senior Member
5 Year Member
Liked
Loved
Community Favorite
Joined: Dec 2016
Posts: 296
Likes: 56
From: Florida
Default

Well, I just looked at my mirror. Colors seem to be different. I did manage to find my tester... so I'll do a process of elimination.
 
Reply
Related Topics
Thread
Thread Starter
Forum
Replies
Last Post
Svalbard
XJ XJ8 / XJR ( X308 )
6
Aug 8, 2023 04:48 PM
Bluxim
UK & Eire
1
May 26, 2023 03:48 AM
Diddion
XK8 / XKR ( X100 )
14
Jun 13, 2017 10:12 AM

Currently Active Users Viewing This Thread: 1 (0 members and 1 guests)
 



All times are GMT -5. The time now is 07:29 PM.