Suspension Fault Warning
I've just got a suspension fault warning on my 2000 model XKR. My basic code reader doesn't show up any faults. I've disconnected the battery and when reconnecting it the fault is still there.
Ant ideas what it could be would be appreciated.
Also when I disconnect the control box the fault is no longer there which I would expect.
Ant ideas what it could be would be appreciated.
Also when I disconnect the control box the fault is no longer there which I would expect.
I think you can read the fault codes with IDS, but I'm not sure if any aftermarket scanners can read the module.
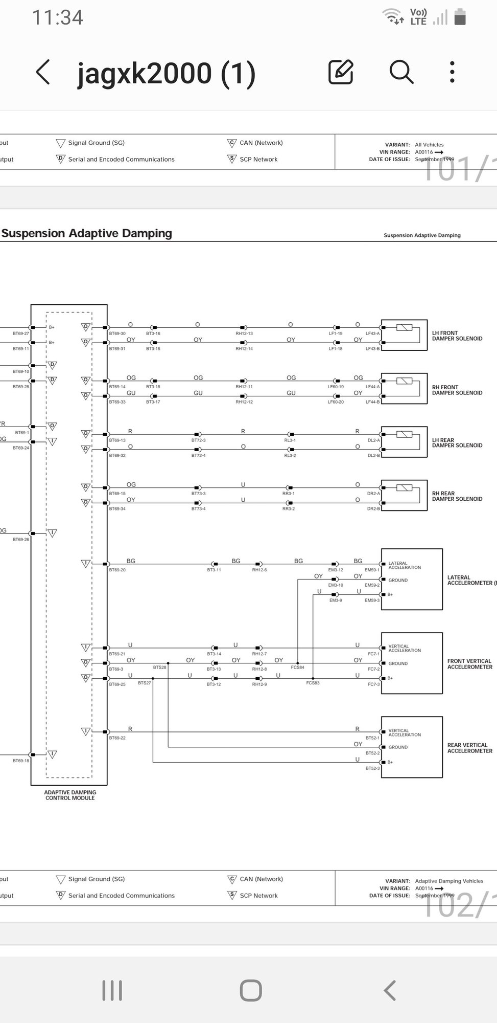
Simpler maybe is to get the wiring diagram for your car and measure the resistance to each shock at the CATS module connector. You likely have a broken wire to one of the shocks. Faults on the acceleration sensors will also trigger the warning, but start by checking the shocks and hope the problem is at the front of the car, not the back.
Simpler maybe is to get the wiring diagram for your car and measure the resistance to each shock at the CATS module connector. You likely have a broken wire to one of the shocks. Faults on the acceleration sensors will also trigger the warning, but start by checking the shocks and hope the problem is at the front of the car, not the back.
Luckily (or not) 2000 model has only cats on the front shocks. You must read the fault codes, there are some generic scanners that works well, for example with my Icarsoft LR I can read all the codes.
Are you sure about that?
my also whenever it sits overnight or longer. Sounds like obsessive compulsive behavior, and likely is. But my electrical gremlins / issues vanished once the tender was installed.
I have the same OBD-II reader. It seems to always come up with a code whenever there’s a fault with a system. But does it read all codes ? I can’t answer that one .
Z
I have the same OBD-II reader. It seems to always come up with a code whenever there’s a fault with a system. But does it read all codes ? I can’t answer that one .
Z
Trending Topics
my also whenever it sits overnight or longer. Sounds like obsessive compulsive behavior, and likely is. But my electrical gremlins / issues vanished once the tender was installed.
I have the same OBD-II reader. It seems to always come up with a code whenever there’s a fault with a system. But does it read all codes ? I can’t answer that one .
Z
I have the same OBD-II reader. It seems to always come up with a code whenever there’s a fault with a system. But does it read all codes ? I can’t answer that one .
Z
Last edited by baxtor; Jul 9, 2025 at 08:35 PM.
I have never verified on my car, I have seen some videos where it is said that the first series had Cats only in the front, and I thought it was true.. I apologize. If I have them on all four it is better
, as soon as possible I will check.
, as soon as possible I will check.
If you feel like testing if it can read the CATS module, you could try unplugging one of the front dampers (the plug under the plastic dome) - you will get the SUSPENSION FAULT message on the dash and there should be a code available to read.
The accelerometers are on the front and rear bulkheads and inside the ECU compartment in the engine bay (2, 3 and 6 in the photo) and are not easy to get to. When they fail, they usually just don't produce any output (or a limited output) rather than producing any kind of fault. You can test them with a multimeter at the module connector.

Start though with the shocks - almost certainly where you will find the fault and almost certainly it will be one of the rear ones you can't get to.

Start though with the shocks - almost certainly where you will find the fault and almost certainly it will be one of the rear ones you can't get to.
If the rear are deleted (replaced with standard dampers) then just replace the fronts also unless you want CATS.
CATS dampers are a bit pricey is why people just use the standard dampers.
Disconnect the module if the dampers are no longer CATS.
You should not disconnect the module if the fronts are still CATS and you don't want a 'terrible' ride.
CATS dampers are a bit pricey is why people just use the standard dampers.
Disconnect the module if the dampers are no longer CATS.
You should not disconnect the module if the fronts are still CATS and you don't want a 'terrible' ride.










