MKI / MKII S type 240 340 & Daimler 1955 - 1967

ID this part Please

Thread Tools
 
Search this Thread
 
Old Aug 4, 2022 | 05:12 PM
  #1  
oxendine's Avatar
Thread Starter
|
Senior Member
Joined: Mar 2022
Posts: 165
Likes: 34
From: Huntingburg Indiana
Default ID this part Please



Can anyone tell me what this is and what it attaches to>
Thanks
 

Last edited by oxendine; Aug 4, 2022 at 05:13 PM. Reason: spelling
Reply
Old Aug 4, 2022 | 06:04 PM
  #2  
Jose's Avatar
Veteran Member
15 Year Member
Liked
Loved
Community Favorite
Joined: Mar 2007
Posts: 9,139
Likes: 2,662
From: Florida
Default

what model Jaguar is it? To me it looks like a vacuum hose.
 
Reply
Old Aug 4, 2022 | 07:25 PM
  #3  
Jagboi64's Avatar
Veteran Member
10 Year Member
Liked
Loved
Community Favorite
Joined: Jan 2013
Posts: 5,253
Likes: 3,515
From: Calgary, Canada
Default

That is the heater pipe. Attaches to a nipple on the back of the water pump, and then runs to the metal piping that goes behind the engine to the heater core. The open nipple beside your finger in the first photo is the return from the heater core.
 
Reply
Old Aug 4, 2022 | 09:50 PM
  #4  
oxendine's Avatar
Thread Starter
|
Senior Member
Joined: Mar 2022
Posts: 165
Likes: 34
From: Huntingburg Indiana
Default

Mark 1 3.4 engine.
 
Reply
Old Aug 4, 2022 | 11:59 PM
  #5  
JeffR1's Avatar
Veteran Member
10 Year Member
Liked
Loved
Community Favorite
Joined: Aug 2013
Posts: 1,828
Likes: 805
From: Lake Cowichan BC Canada
Default

Isn't that the vacuum port for the brakes and someone has added a "T" for something ?
Where you are pointing in the second photo, that would go the the vacuum reservoir to the check valve, and from there to the remote brake servo.

It's too small for a heater pipe.
 
Reply
Old Aug 5, 2022 | 05:51 AM
  #6  
Coventry Foundation's Avatar
Joined: Aug 2018
Posts: 772
Likes: 391
Default

Jeff agree with too small. Not at the library but did the 3.4L saloon (AKA MK1) not use a vac. driven window washer with a push button on the facia? If so that is likely the one way valve to the bottle. The tube seems most likely the vac. for the booster.
 
Reply
Old Aug 5, 2022 | 06:19 AM
  #7  
oxendine's Avatar
Thread Starter
|
Senior Member
Joined: Mar 2022
Posts: 165
Likes: 34
From: Huntingburg Indiana
Default

Thanks, It does look like a vacuum piece. It might become more obvious once the engine is in the car.
 
Reply
Old Aug 5, 2022 | 07:51 AM
  #8  
Glyn M Ruck's Avatar
Veteran Member
Joined: Jul 2012
Posts: 5,546
Likes: 1,495
From: Llandudno, Cape Town, South Africa
Default

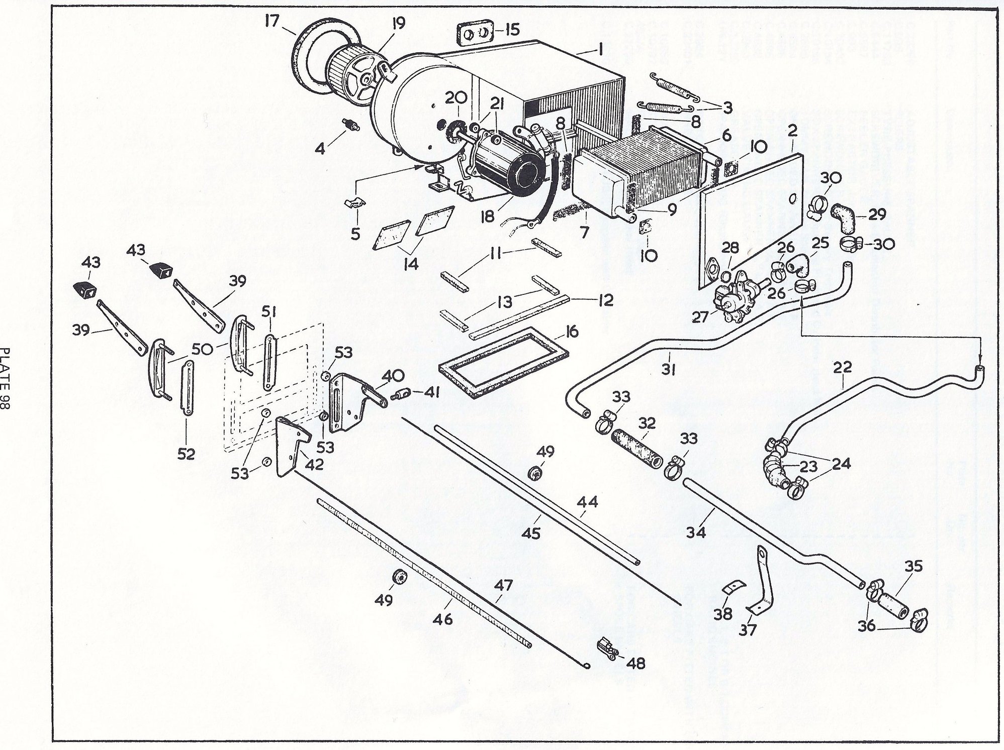
Jagboi is correct. That is where the heater pipe should run via a support bracket. Always used to rust through which is why I fitted in stainless steel. The diameter does look too small. I think someone has had their fingers in there. This is the S Type set up. Let me find a Mk2 diag.







Mk2 heater diagram (sorry I keep forgetting we are talking Mk2 derivative 340) Item 34 or vacuum line below diag.




Mk2 vacuum diagram: (item 10? likely) ~ If so now you must find your heater pipe. They should run one above the other. ~ heater pipe above IIRC.

EDIT ~ I notice Peter says they run next to one another. That too would make sense. That grubby larger diameter thing in the background is the heater pipe at its bend.
 

Last edited by Glyn M Ruck; Aug 5, 2022 at 03:04 PM.
Reply
Old Aug 5, 2022 | 02:32 PM
  #9  
Peter3442's Avatar
Veteran Member
5 Year Member
Liked
Loved
Community Favorite
Joined: Aug 2020
Posts: 2,293
Likes: 1,463
From: Oxford, UK
Default

There are two pipes running side by side along the right hand side of the engine block. To eye, they aren't very different in diameter. The one closest to the block (item 34 in Glyn's second diagram) is from the heater to the water pump. The other (item 10 in his last diagram) is the vacuum line from the top of the bulkhead end of manifold to the one way (check) valve on the vacuum reservoir for the brake booster. In fact, the first photo shows the vacuum take off from the manifold. On my car, there's no T, but it's a logical place to connect anything that requires vacuum, like a vacuum gauge.

I didn't know the MK1 had a vacuum motor for the windscreen wipers. Ford used them a lot. They were laughable; except when you put your foot down to overtake in the rain.
 

Last edited by Peter3442; Aug 5, 2022 at 02:57 PM.
Reply
Old Aug 5, 2022 | 03:14 PM
  #10  
Glyn M Ruck's Avatar
Veteran Member
Joined: Jul 2012
Posts: 5,546
Likes: 1,495
From: Llandudno, Cape Town, South Africa
Default

It's too bloody cold to go out to the garage. Heat pump running at a comfortable 24 deg C inside. I thought my S type had the pipes one above the other but I'm not going out to check. In any case it's irrelevant. Thanks for resolving that Peter!





 

Last edited by Glyn M Ruck; Aug 5, 2022 at 03:35 PM.
Reply
Old Aug 5, 2022 | 07:40 PM
  #11  
Bill Mac's Avatar
Veteran Member
10 Year Member
Liked
Loved
Community Favorite
Joined: Nov 2012
Posts: 1,131
Likes: 1,208
From: Joyner, Queensland, Australia
Default

The MK1 has a two speed Lucas DR3 electric wiper motor ie the same as the MK2.and S type.
The silver button on the dash controls the vacuum system for the windscreen washer pump.
 
Reply
Old Aug 6, 2022 | 07:03 AM
  #12  
Glyn M Ruck's Avatar
Veteran Member
Joined: Jul 2012
Posts: 5,546
Likes: 1,495
From: Llandudno, Cape Town, South Africa
Default

I recommend you give this engine a high pressure steam clean unless this is your donor engine.
 
Reply
Related Topics
Thread
Thread Starter
Forum
Replies
Last Post
carzaddict
Photography
6
Nov 26, 2023 11:04 AM
JeffR1
Photography
4
Feb 17, 2022 06:53 PM
Hawken
Australia - Victoria / Tasmania
3
Mar 26, 2018 03:29 AM
Z07Brandon
XJ220
6
Aug 11, 2017 04:02 PM
HawaiiRealtor
XK / XKR ( X150 )
17
Feb 1, 2016 10:05 AM

Currently Active Users Viewing This Thread: 1 (0 members and 1 guests)
 



All times are GMT -5. The time now is 10:06 PM.