S-Type / S type R Supercharged V8 ( X200 ) 1999 - 2008 2001 - 2009
Sponsored by:
Sponsored by:

2005 S-type how routing question

Thread Tools
 
Search this Thread
 
Old Dec 6, 2019 | 09:55 AM
  #1  
bjalbert's Avatar
Thread Starter
|
Junior Member
Joined: Dec 2019
Posts: 3
Likes: 0
From: Florida
Default 2005 S-type how routing question

Hello everyone,
I was wondering if someone could give me a hand. I have searched everywhere to find a routing diagram or something to verify, but I have had no luck. I picked up a really nice S-type recently that needed a motor. I have purchased another motor and completed the swap, except for one small hose connection that I have a question about. Unfortunately most of the upper part of the original motor and radiator was out of the car when I purchased it, so I did not take it apart to know where everything goes. Most everything laid down in place and was pretty logical where it went. But the hose I am inquiring about, I just want to be sure about before I try and start it. It seems odd to me that a coolant hose would terminate to the intake plenum. Below I have added a couple of pics that might help. The hose in question goes from the bottom of the climate control unit and goes up to the upper radiator hose at a "Y", (I am pointing to it on the 2nd pic below). This is where is seemed to connect as I laid everything out. Towards the upper end of the hose in question it "Tees off" with a smaller hose that I think goes to the intake plenum near where the filter housing attaches (1st pic I think it goes where the red arrow is pointing). This is the only other connection I have left so I am hoping it goes there.

Thanks in advance!




This is where I think it goes.

This is where it attaches to the upper radiator hose
 
Reply
Old Dec 6, 2019 | 10:10 AM
  #2  
JagV8's Avatar
Veteran Member
15 Year Member
Liked
Loved
Community Favorite
Joined: May 2009
Posts: 27,505
Likes: 4,902
From: Yorkshire, England
Default

3.0 or 4.2?
 
Reply
Old Dec 6, 2019 | 10:10 AM
  #3  
bjalbert's Avatar
Thread Starter
|
Junior Member
Joined: Dec 2019
Posts: 3
Likes: 0
From: Florida
Default

It is a 3.0L Sorry meant to add that .
 
Reply
Old Dec 6, 2019 | 11:51 AM
  #4  
S-Type Owner's Avatar
Veteran Member
Joined: Feb 2018
Posts: 1,797
Likes: 684
From: The wilds of Montana
Default

That hose does in fact attach to the intake manifold; it heats the throttle body area as a part of the emissions system for the engine...
 
Reply
Old Dec 6, 2019 | 01:40 PM
  #5  
bjalbert's Avatar
Thread Starter
|
Junior Member
Joined: Dec 2019
Posts: 3
Likes: 0
From: Florida
Default

S-Type Owner- Thanks for the info. Makes me feel better now. haha.
 
Reply
Old Dec 6, 2019 | 02:33 PM
  #6  
Joedotcom's Avatar
Senior Member
10 Year Member
Liked
Loved
Joined: Mar 2015
Posts: 240
Likes: 117
From: STOKE ON TRENT
Default

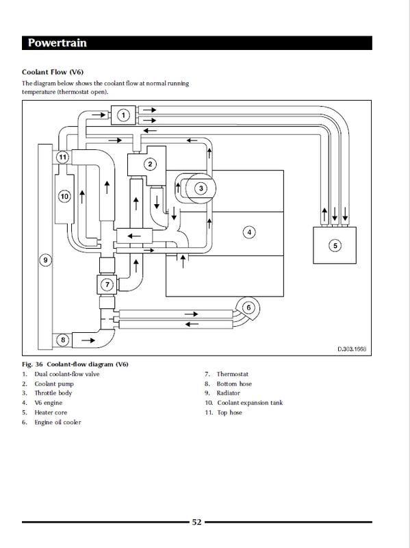
hi
does this help
cheers
Joe



 
Reply
Related Topics
Thread
Thread Starter
Forum
Replies
Last Post
konshu
X-Type ( X400 )
15
Jun 10, 2017 03:30 PM
Anthony8858
XK8 / XKR ( X100 )
12
Feb 16, 2017 02:11 AM
Volbrewer
XK8 / XKR ( X100 )
8
Nov 16, 2015 09:51 AM
Erndiego619
X-Type ( X400 )
2
May 29, 2012 10:15 PM
teflondon
X-Type ( X400 )
3
Jun 3, 2010 08:11 AM

Currently Active Users Viewing This Thread: 1 (0 members and 1 guests)
 



All times are GMT -5. The time now is 04:48 PM.