XJ40 ( XJ81 ) 1986 - 1994

Interior lights upon opening door

Thread Tools
 
Search this Thread
 
Old Jul 16, 2020 | 12:36 PM
  #1  
Ernest Knox's Avatar
Thread Starter
|
Member
5 Year Member
Joined: Nov 2018
Posts: 65
Likes: 34
Default Interior lights upon opening door

This is not a biggie, but if someone knows the source of this problem I would be inclined to fix it. When a door is open on my 1988 Vanden Plas that door lamp, the dome lamps, and the left headrest lamp illuminate. I reckon that is what they should do. I assume that the right headrest lamp should come on since the left one does, but it doesn’t. However it does illuminate when you turn the roller switch on it. So the lamp is working, just not upon opening a door. What might be the cause? Is there a central processing unit that controls the interior lights when a door is open?
 
Reply
Old Jul 16, 2020 | 10:41 PM
  #2  
Don B's Avatar
Joined: Feb 2014
Posts: 20,510
Likes: 15,283
From: Crossroads of America
Default

Hi Ernest,

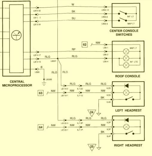
Yes, the interior lights are controlled by the Central Microprocessor (CPU). I can't recall for certain how the headrest lamps operate. Have you tried leaving the right lamp roller switch in the ON position to see if the lamp will extinguish with the dome lamp when the doors are closed?

Looking at the schematic, the headrest lamps receive power on the Brown/White wires. It appears the CPU would turn the lamps on by grounding the Red/Light Green wires with the diodes. Turning the lamp switch to the ON position grounds the bulb via the Black/Pink wire, forcing it on regardless of the state of the ground path through the CPU.



I recall that those lamps are very basic, poorly constructed devices. If you remove your right lamp it may be easy to see if all the connections are intact. If your DVOM can test diodes, you could see if perhaps the one in the right lamp has failed.

You could test for continuity between the Red/Light Green wire and ground when a door is first opened and the dome lamp comes on. If there is no continuity to ground, suspect a problem with the diode or the wiring to the CPU.

Since your left headrest lamp works properly, and both headrest lamps are operated by the same wire to the CPU, we can assume your CPU is functioning properly.

Cheers,

Don


 

Last edited by Don B; Jul 16, 2020 at 10:44 PM.
Reply
Old Jul 17, 2020 | 10:47 AM
  #3  
Ernest Knox's Avatar
Thread Starter
|
Member
5 Year Member
Joined: Nov 2018
Posts: 65
Likes: 34
Default

Thanks Don,
I have tried leaving the right lamp roller switch in the ON position and it does not extinguish when the doors are closed. Your illustration and explanation help greatly.
I will post an update when resolved.
 
Reply
Old Jan 29, 2022 | 12:54 PM
  #4  
Ernest Knox's Avatar
Thread Starter
|
Member
5 Year Member
Joined: Nov 2018
Posts: 65
Likes: 34
Default

Funny how things work. I was checking to see if the headrest lamp worked from the interior light switch on the dash. I togggled the switch on and off a few times and the lamp would not come on. Looking at the schematic in Don's post I surmised that the issue was a broken diode or connection at the lamp. The following day, when I went to remove the lamp, it came on when I opened the car door. Most likely it just needed a little jump start from the dash switch, or it was divine intervention as I would prefer to believe.


All is good....for now.
 
Reply
Old Jul 25, 2022 | 04:18 PM
  #5  
Ernest Knox's Avatar
Thread Starter
|
Member
5 Year Member
Joined: Nov 2018
Posts: 65
Likes: 34
Default

The headrest light stopped working again, so I decided to replace it. Don B's explaination helped me troubleshoot the problem to a faulty diode on the lamp. The diode was so tiny and hard to get to that I just decided to replace the entire lamp. I did have to paint the trim around the new lamp to match the other lamp as it was chrome and not black . Again, Don B, thanks for all your help.
 
Reply
Related Topics
Thread
Thread Starter
Forum
Replies
Last Post
maniqz
XJ XJ8 / XJR ( X308 )
7
Mar 29, 2017 01:47 PM
Gary Bokelmann
S-Type / S type R Supercharged V8 ( X200 )
7
Jan 30, 2012 09:48 PM
gragner66
X-Type ( X400 )
19
Dec 13, 2010 02:36 PM
jeffjames
XJ XJ6 / XJ8 / XJR ( X350 & X358 )
3
Sep 30, 2010 06:15 PM
Cadillac
XJ40 ( XJ81 )
2
Aug 7, 2009 12:53 PM

Currently Active Users Viewing This Thread: 1 (0 members and 1 guests)
 



All times are GMT -5. The time now is 06:53 AM.