xj40 , 1990
Hi , I have just bought another 40 , ( 1990 ) and am working my way thru a few small issues , the most annoying one is a constant buzzer noise once the lights are turned on , this happens with the engine running or not . Can anyone help me out here . Thanks Mark
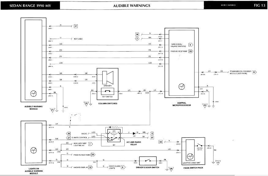
You can download the wiring diagrams at the link below:
Jaguar XJ40 Electrical Guide 1990
Cheers,
Don
Thread
Thread Starter
Forum
Replies
Last Post
Currently Active Users Viewing This Thread: 1 (0 members and 1 guests)










