XJ6 & XJ12 Series I, II & III 1968-1992

What is this part

Thread Tools
 
Search this Thread
 
Old Jan 10, 2024 | 06:35 PM
  #1  
DBaer's Avatar
Thread Starter
|
Senior Member
Liked
Joined: Jun 2021
Posts: 111
Likes: 45
From: Ocala FL/Webster NH
Default What is this part

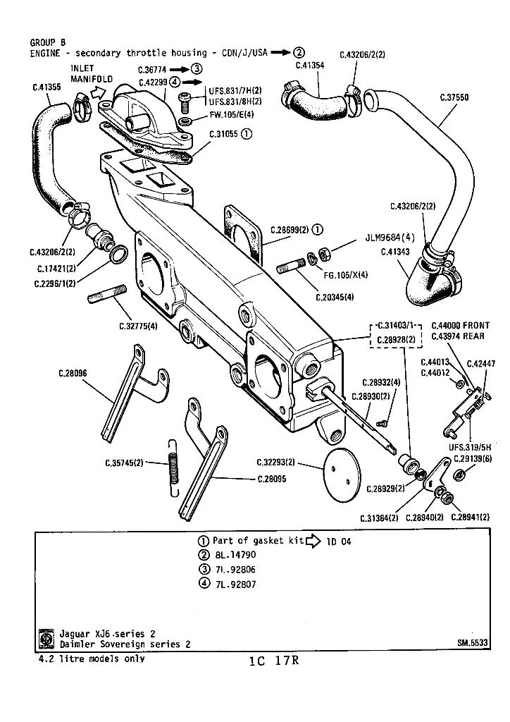
I am trying to find out what this part is and where to find a gasket for it. It does not appear in any parts manuals that I have. It is on the intake manifold and has no internal parts, it just appears to be a mixer or something. Thank you!!



 
Reply
Old Jan 10, 2024 | 07:30 PM
  #2  
Doug's Avatar
Veteran Member
Liked
Loved
Community Favorite
Joined: Mar 2008
Posts: 25,538
Likes: 11,735
From: Pacific Northwest USA
Default

C31055?



Should be easy to just make a new gasket if you can't find a new one

Cheers
DD
 
Reply
Old Jan 10, 2024 | 07:43 PM
  #3  
DBaer's Avatar
Thread Starter
|
Senior Member
Liked
Joined: Jun 2021
Posts: 111
Likes: 45
From: Ocala FL/Webster NH
Default

Thank you Doug, yes I figured I could just make a new gasket but the existing on is metallic based. My part has no hose inlet and is on a Series 1. What is the part?
 
Reply
Old Jan 10, 2024 | 09:39 PM
  #4  
David84XJ6's Avatar
Senior Member
10 Year Member
Liked
Loved
Community Favorite
Joined: Dec 2011
Posts: 782
Likes: 461
From: Central California
Default

Originally Posted by DBaer
Thank you Doug, yes I figured I could just make a new gasket but the existing on is metallic based. My part has no hose inlet and is on a Series 1. What is the part?
I think this is a leftover secondary throttle manifold that jaguar used until gone, when a new design casting was then installed.
The Cap is to return idle air mixture to the intake path after being warmed to improve vaporization >>> an attempt to meet USA smog rules in the late 60's or early 70's.
I had a 68 XKE with a two port casting attached where your Cap cover is, going over the top of valve covers, to the rear exhaust manifold. Idle air went over to the exhaust manifold to be heated, then back to the intake manifold.

When they stopped installing the cross over casting to the exhaust manifold, they heated the secondary intake manifold with hot coolant flow.

My XKE was called a series "1 1/2", as left over Series I parts were installed on a series 2 car until the inventory was used up. Many different configurations occurred during the change over year.
Rgds
David
 
Reply
Old Jan 11, 2024 | 09:06 AM
  #5  
DBaer's Avatar
Thread Starter
|
Senior Member
Liked
Joined: Jun 2021
Posts: 111
Likes: 45
From: Ocala FL/Webster NH
Default

David, this is a great explanation!! That being said I assume a homemade gasket would work fine?
 
Reply
Old Jan 11, 2024 | 03:06 PM
  #6  
David84XJ6's Avatar
Senior Member
10 Year Member
Liked
Loved
Community Favorite
Joined: Dec 2011
Posts: 782
Likes: 461
From: Central California
Default


Moss Motors Gasket, Top Cover Item #15 $5.99 PART # C28705 APPLICATION E-Type Ser. 1.5 & 2

You can definitely make your own gasket. From memory, the exhaust side was a special material.
Rgds
David
 
Reply
Old Feb 26, 2025 | 06:38 PM
  #7  
DBaer's Avatar
Thread Starter
|
Senior Member
Liked
Joined: Jun 2021
Posts: 111
Likes: 45
From: Ocala FL/Webster NH
Default

Everything is going back together but I have a broken vacuum port on this part on the secondary intake manifold and cannot seem to figure out what it is called and where to source one. C.37115. Any help is greatly appreciated!!

 
Reply
Old Mar 1, 2025 | 03:06 PM
  #8  
iramphal's Avatar
Senior Member
5 Year Member
Liked
Joined: Sep 2017
Posts: 697
Likes: 281
From: Lincoln Ontario
Default

I had a similar beast on my 72 V12 E-type. Recall it is a thermostatically (coolant) contriolled vacuum supply switch. Might have been for the didtributor . I may be out of my memory tree, it was 25 years ago. Ian
 
Reply
Old Mar 1, 2025 | 08:31 PM
  #9  
TooManyJaguars's Avatar
Joined: Feb 2024
Posts: 87
Likes: 41
From: San Diego
Default

Yes, thermo vacuum switch...(a little kitty once mentioned that the vacuum octopus on these cars can be significantly streamlined, now)
 
Reply
Related Topics
Thread
Thread Starter
Forum
Replies
Last Post
sunchip
XJ6 & XJ12 Series I, II & III
194
Aug 28, 2023 09:21 PM
Joel Brown
Jaguar Engines & transmissions
0
Jan 4, 2021 08:38 AM
micmee1
General Tech Help
0
Feb 8, 2020 07:17 PM
Aarcuda
S-Type / S type R Supercharged V8 ( X200 )
4
Jul 20, 2019 02:58 PM
Terry Campbell
XJ XJ8 / XJR ( X308 )
1
Aug 27, 2018 05:25 PM

Currently Active Users Viewing This Thread: 1 (0 members and 1 guests)
 



All times are GMT -5. The time now is 11:58 PM.