XJS ( X27 ) 1975 - 1996 3.6 4.0 5.3 6.0

XJRS Fuel Pumps Replacement Questions (Researched)

Thread Tools
 
Search this Thread
 
Old Jun 18, 2025 | 02:26 PM
  #1  
Joliette's Avatar
Thread Starter
|
Senior Member
Liked
Loved
Community Favorite
Joined: Jun 2024
Posts: 105
Likes: 117
From: Canary Islands
Default XJRS Fuel Pumps Replacement Questions (Researched)

So after many hours fixing the electric on my XJRS Saphira, i managed to get a starter engaging and generally she wakes up. But found out that fuel pumps are not running. So right away few questions.

1) What are the odds of both pumps failing? I tried to jump-start them already from the connector and nothing at all. You would think one would die, another kept ticking? Fuel was semi-bad so can blame that but still?

2) fuel lines are plastic... that is... odd... new at least for me? Is it recommended to replace them service them or are they long lasting?

3) according to this thread the best way to do is to pull the tank to the trunk and service it from there, sounds reasonable. Any updates or better idea? Do I need to remove the rear seats to push it from inside? I have about 20l of new fuel in there (was a premature flush).
https://www.jaguarforums.com/forum/x...s-tank-236192/

Thank you in advance...

Pic for reference...




 
Reply
Old Jun 19, 2025 | 12:29 AM
  #2  
Greg in France's Avatar
Veteran Member
10 Year Member
Liked
Loved
Community Favorite
Joined: Jan 2012
Posts: 14,571
Likes: 10,769
From: France
Default

So, to be clear, you have supplied 12v AND a good earth (ground) to the pumps, one at a time, and neither of them run?
 
Reply
Old Jun 19, 2025 | 03:24 AM
  #3  
Grant Francis's Avatar
Joined: Feb 2010
Posts: 28,795
Likes: 11,273
From: Adelaide Stralia
Default

Just a thought??

These are In Tank Pumps, I think.

There was. and still is, many issues with the wiring pigtail from the tank "lid" to the pump/s. They fail from fuel immersion. I renewed them on the XJ40 and both X300's, simply because I was replacing the pumps as part of Grant's post purchase must do.

If they are external, they can fail from old fuel sitting in them, and drying up, leaving gooey mess that jams the works.

Plastic/nylon fuel lines are fine by me. They dont rust of rot, and OK, care is needed, not to kink them, and care with the ends where a hose is added.
 

Last edited by Grant Francis; Jun 19, 2025 at 05:43 AM.
Reply
Old Jun 19, 2025 | 08:38 AM
  #4  
Joliette's Avatar
Thread Starter
|
Senior Member
Liked
Loved
Community Favorite
Joined: Jun 2024
Posts: 105
Likes: 117
From: Canary Islands
Default

Originally Posted by Greg in France
So, to be clear, you have supplied 12v AND a good earth (ground) to the pumps, one at a time, and neither of them run?
Yes, but only at the connector level, not straight to the pump. So reading what Grant wrote, might really be just issue with the wire between the plastic cover and pumps them self.
Yes they are intank...
I guess I will open it and check it.
 
Reply
Old Jun 19, 2025 | 11:48 AM
  #5  
equiprx's Avatar
Senior Member
5 Year Member
Joined: Oct 2018
Posts: 714
Likes: 232
From: Pacifica
Default

I have worked on a few of the facelift era Jaguars and have found three fuel delivery issues.
The first one I found was the Heated O2 sensor fuse located in the boot.
Second was the fuel pump harness connector tended to overheat and melt.
Third issue which is a remote possibility are loose hose clamps located within the tank.
Removing the tank should always be a last resort since it requires so much work.
The plastic lines are nearly bullet proof but the connections can fail.
 
Reply
Old Jun 19, 2025 | 12:19 PM
  #6  
Joliette's Avatar
Thread Starter
|
Senior Member
Liked
Loved
Community Favorite
Joined: Jun 2024
Posts: 105
Likes: 117
From: Canary Islands
Default

Thank you, nice to know. I just went straight for the pumps as it was my previous experience with jags that they fail. The car looks spotless in and out, nothing melted or anything. But applying power to the connector on top of the plastic lid made no sound. I tried to hit it with hammer while repeatedly applying power and helped nothing so suspect either wiring or both pumps.
It was sitting for 10 years with 40l of questionable fuel (was not yet fully spoiled but already smelled funny).

Thank you for any hints, I would also prefer not to pull the tank out but not seeing much options...
 
Reply
Old Jun 19, 2025 | 02:48 PM
  #7  
BenKenobi's Avatar
Veteran Member
5 Year Member
Liked
Loved
Community Favorite
Joined: Aug 2020
Posts: 1,194
Likes: 816
From: UK, Glossop
Default

From what I know of in tank systems from the era not replacing could be setting up a recovery scenario, do you know what kind of fuel aka was it good old straight gas with no biological component aka ethanol. Even so the pipes and plastics used in the 90's and before do not age well, even worse when exposed to the bio muck that passes itself off as fuel these days, the plastics simply leach all their plasticisers and go brittle, not only the tubes and pipes but the wires too, plastic tech then is not what it is today, plastic lines are bulletproof is a statement that I would challenge in a 90's car. The lines on my Sabre were rock hard and cracked for fun, if you can't bend it almost 180° without it cracking it needs replacing, I even got scammed by supposed R9 hose that wasn't even close to R9 and that didn't last 2 years before it decided the best fuel injection included the entire engine bay. .

The fuel in the XJS caused massive headaches because I didn't bite the bullet and it had sat for barely 3 years, hopefully yours had no ethanol component in it, that can last a decade and be hard to fire off but it will still go. I ended up pulling the tank and replacing every line on the car, though mine is not an in tank pump pretty much the whole fuel system was fit for scrap and would have been endless problems had I pushed on with it. The fuel in mine had degraded to a black tar at the bottom of the tank, the lines were full of it, my injectors took two straight weeks of cleaning and I ended up replacing them in the end fuel lines I replaced front to back with Kunifer (a copper alloy), you just can't have fuel sitting with that ethanol c**p in there.

If you want to see how bad fuel pumps can get check out an abandoned Lamborghini vid >
and yours is older than this ..... start at around 27 minutes
 
Reply
Old Jun 19, 2025 | 03:12 PM
  #8  
Joliette's Avatar
Thread Starter
|
Senior Member
Liked
Loved
Community Favorite
Joined: Jun 2024
Posts: 105
Likes: 117
From: Canary Islands
Default

No idea what fuel is there but I had a BAAAD fuel in one of my rescue junk motorcycle, so no, this one was already coloured, was slightly heavier but still smelled like a petrol.
Lines feel very soft still. I would have no problems to replace the lines if I had to, this is my long term project, but would prefer to at leas hear her scream for motivation. I need that. Most of my cars I fix while enjoying them which is the way I prefer it. But Saphira was a godsend i had to take.

Yea Jags are my supercars... I could imagine what is going on in the "supercars" world. I have zero desire even remotely to own such car. Mostly because factory politics and other issues.
Thanks for the video, might watch it soon.
 
Reply
Old Jun 20, 2025 | 11:07 AM
  #9  
equiprx's Avatar
Senior Member
5 Year Member
Joined: Oct 2018
Posts: 714
Likes: 232
From: Pacifica
Default

Have you checked out the fuel pump relay(s)?
On my 94 v12 there were three and I have heard they can be a problem.
I don't know if you have the same set up but check what you have.
Since you by passed them by jumping 12V to the pumps the relays are probably OK.
Banging on the module on top of the tank should be avoided.
A cracked module is a $1000 replacement.
 
Reply
Old Jun 20, 2025 | 05:53 PM
  #10  
Joliette's Avatar
Thread Starter
|
Senior Member
Liked
Loved
Community Favorite
Joined: Jun 2024
Posts: 105
Likes: 117
From: Canary Islands
Default

Didn't checked the relays yet at all, just trying to connect directly to pumps to start from the bottom and work my self up.
I banged the fuel tank, not the plastic module. Tried to shake car to move petrol around and maybe some wiring or plumbing but no effect.
I have now garage full now, was working on my other XJS (clutch fluid loss) but will investigate more in next days.
 
Reply
Old Jun 22, 2025 | 11:08 PM
  #11  
FerrariGuy's Avatar
Senior Member
5 Year Member
Liked
Loved
Community Favorite
Joined: Oct 2015
Posts: 257
Likes: 199
From: Columbia SC
Default

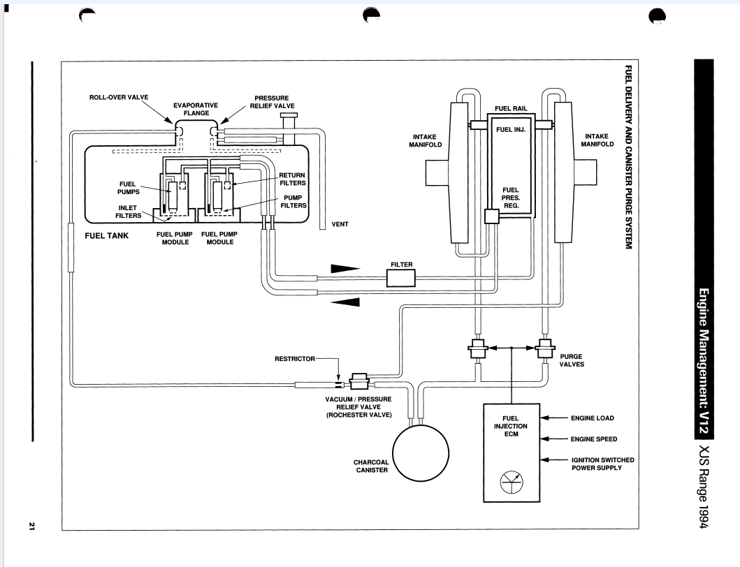
You've done what any of us would have done. If direct power to the FPumps bypassing the relay isn't firing them off... doesn't sound like there's much choice but to go in and do some surgery. Unlike the regular 6.0L XJS, both fuel pumps on the XJRS are powered simultaneously via ONE FP relay instead of staged by 2nd relay and fuel pump control module that activates the 2nd relay and 2nd pump above a certain speed (at least per diagrams). And yeah there should be two leads off the load side of the FP relay each with a fuse - one to the dual fuel pumps, and the other to the O2 heater circuit.

The connector pipes underneath the car above the cage near the drivers side wheel well (inside the frame) have to be released before the tank can come out. On some years the hoses are held in via clips and at some point I think they transitioned to the mechanism that requires the cylinder tool that clips around the fuel line and makes them push-releases. You'll have to inspect.

Inside are two plastic swirl pots that contain the fuel pumps. Those swirl pots are substantially similar to what was used on the XJ40's. I know the LPH rating of the regular 6.0L fuel pumps but not the XJR ones. I assume as long as you meet or exceed the LPH output by a reasonable margin you'll be just fine.

There is a crimped rubber pass through grommet on the top of the plastic housing that has been known to break off and crack (at least for XJ40 and facelift owners) so... keep an eye out on that.

https://forums.jag-lovers.com/t/instructions-for-removing-xjs-fuel-tank-94-v12/351176

https://www.jaguarforums.com/forum/xjs-x27-32/how-i-removed-fuel-pump-my-96-xjs-without-moving-gas-tank-236192/




















PK
 

Last edited by FerrariGuy; Jun 22, 2025 at 11:16 PM.
Reply
Old Jun 23, 2025 | 08:54 AM
  #12  
equiprx's Avatar
Senior Member
5 Year Member
Joined: Oct 2018
Posts: 714
Likes: 232
From: Pacifica
Default

Excellent pics.
I wish I knew what was going on underneath my 94 V12 before I worked on it.
After I was done tearing everything apart, it turned out I had a dead fuse for the heated O2 sensor.
 
Reply
Old Jun 23, 2025 | 01:40 PM
  #13  
Joliette's Avatar
Thread Starter
|
Senior Member
Liked
Loved
Community Favorite
Joined: Jun 2024
Posts: 105
Likes: 117
From: Canary Islands
Default

Wow thank you, this is extremely helpful PK, didn't seen the photos before. I will sure document the procedure as well...
Can I ask you for a documentation / PDF of where you got that material from? I feel I will need a tons of more before Saphira runs and would rather post guides and videos then asking about every detail. 💖💖💖
 
Reply
Old Jun 23, 2025 | 01:42 PM
  #14  
Joliette's Avatar
Thread Starter
|
Senior Member
Liked
Loved
Community Favorite
Joined: Jun 2024
Posts: 105
Likes: 117
From: Canary Islands
Default

Originally Posted by equiprx
Excellent pics.
I wish I knew what was going on underneath my 94 V12 before I worked on it.
After I was done tearing everything apart, it turned out I had a dead fuse for the heated O2 sensor.
that is why I always start from bottom up, on such old cars especially when I want to review everything anyway. With so much effort in fixing her up, it would suck if the some stupid wire on the way stopped me few months later.
Tomorrow is again Saphira day, today was lot of customer work.
 
Reply
Old Jun 23, 2025 | 03:09 PM
  #15  
FerrariGuy's Avatar
Senior Member
5 Year Member
Liked
Loved
Community Favorite
Joined: Oct 2015
Posts: 257
Likes: 199
From: Columbia SC
Default

Originally Posted by Joliette
Wow thank you, this is extremely helpful PK, didn't seen the photos before. I will sure document the procedure as well...
Can I ask you for a documentation / PDF of where you got that material from? I feel I will need a tons of more before Saphira runs and would rather post guides and videos then asking about every detail. 💖💖💖
I've been gathering PDFs for quite a long time scouring forums etc. The pictures are just part of my archives - also gathered for utility over time (obviously taken from others postings).
For the PDFs a great deal can be found at JagRepair.com. The Jaguar XJR-S FB group's files section host a bit of specialty XJR-S PDFs. The Jaguar XJS Owners group has a lot hosted in it's files section including the 10PDF Service Manual set. https://en.jaguar-club.net/ host some. Many are scattered on this forum, the Jaguar Forum (different) and the grand-daddy of all Jag forums - Jag-Lovers (kind of quiet now). There are now defunct Jag businesses that hosted sections or various PDFs I've archived. And of course JCNA offers a USB stick that has EVERYTHING official Jaguar XJS related for sale as well. I've spent enough time with these materials to often know generally where to look though. That just takes time and repeated looking. Sometimes Jag made a mash pie of where it shoved information... e.g, You'd find out more about the AJ16 engine from X300 documentation than XJS 4.0L 1995 documentation etc. Pita.

~PK.
 
Reply
Old Jun 23, 2025 | 03:12 PM
  #16  
Joliette's Avatar
Thread Starter
|
Senior Member
Liked
Loved
Community Favorite
Joined: Jun 2024
Posts: 105
Likes: 117
From: Canary Islands
Default

Ah ok thanks... I will keep downloading and collecting as I want to put them also online and have not only spare parts but also knowledge for all XJSes for foreseeable future. Those machines deserve to be kept on the road forever.
 
Reply
Old Jun 24, 2025 | 11:51 AM
  #17  
Joliette's Avatar
Thread Starter
|
Senior Member
Liked
Loved
Community Favorite
Joined: Jun 2024
Posts: 105
Likes: 117
From: Canary Islands
Default

Tried to power just straight on the connector it self but also without success. So tank has to go out sadly...
But at least a good opportunity for a instructional video
 
Reply
Old Jun 30, 2025 | 04:00 PM
  #18  
kansanbrit's Avatar
Senior Member
10 Year Member
Liked
Loved
Community Favorite
Joined: Dec 2013
Posts: 978
Likes: 275
From: Kansas
Default

It looks like your tank is the same as the 6.0 V12, I had to rip my pumps out this weekend because both of the top parts of the housing had broken and an attempt had been made to fix them resulting in only 30 psi of fuel pressure instead of 44.




In the end I decided to replace both of them with one pump, which I happen to have in stock, from a 2004 XJR. I made it fit and it seems to be working very nicely. Much bigger pump than the original XJS. Tried it to 5000 RPM, no sign of a hesitation.
 

Last edited by kansanbrit; Jun 30, 2025 at 04:02 PM.
Reply
Old Jun 30, 2025 | 05:20 PM
  #19  
Joliette's Avatar
Thread Starter
|
Senior Member
Liked
Loved
Community Favorite
Joined: Jun 2024
Posts: 105
Likes: 117
From: Canary Islands
Default

wow nice and experimental... i was actually playing with the idea to do it (as i often do) better than new... and relocate... another pump got me into thinking but will probably do first when I have her running.
 
Reply
Old Jul 1, 2025 | 04:07 PM
  #20  
Joliette's Avatar
Thread Starter
|
Senior Member
Liked
Loved
Community Favorite
Joined: Jun 2024
Posts: 105
Likes: 117
From: Canary Islands
Default

So after lots of fighting I got it out...
Had no idea how to remove the filler neck it is stuck so much inside the metal tube and would not let go...



As suspected the rest of the car is absolute pristine condition.



Then of course full of nervous excitement looked inside the fuel tank... 😥 Why they do not have plastic lining like US cars? Or well any kind of corrosion protection?



Took the pumps out and checked them by applying power directly. on them. Not even try. The wires spark as it tries, but no movement. connectors and tubes looked like new.



But. I hate the pumps location/design, all my lines are full of rust, filter location is bad, I hate even the stupid connectors and position of everything. It is so much better on the old 6 cylinder XJS.

So... in the end, as my typical approach is, spare no costs, do no compromises, make it better than new... I will make full new line (10mm pipe) from back to front, put there proper fuel filter, external fuel pump and plastic fuel tank. A bit smaller so I can place battery on the raised platform as well...




 
Reply



All times are GMT -5. The time now is 01:37 AM.