Please Helppp!
Hello Everyone.
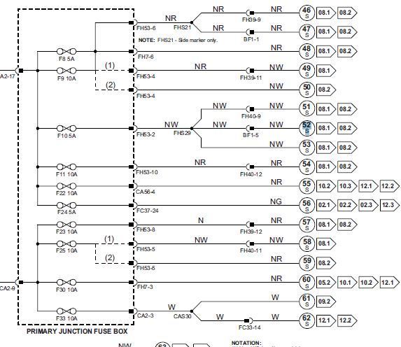
I was farting around and think i shorted out my FRONT LEFT MARKER LIGHT (amber light upper right of the front headlight)
can someone please tell me what fuse this is? i cant find it anywhere
thank you thank you~!!!
I was farting around and think i shorted out my FRONT LEFT MARKER LIGHT (amber light upper right of the front headlight)
can someone please tell me what fuse this is? i cant find it anywhere
thank you thank you~!!!
Thread
Thread Starter
Forum
Replies
Last Post
momo
S-Type / S type R Supercharged V8 ( X200 )
16
Sep 15, 2025 08:27 AM
Anfield Dreaming
XJ6 & XJ12 Series I, II & III
9
May 4, 2015 12:34 PM
Currently Active Users Viewing This Thread: 1 (0 members and 1 guests)



