XJ XJ8 / XJR ( X308 ) 1997 - 2003

CD Changer Removal

Thread Tools
 
Search this Thread
 
Old Apr 27, 2025 | 09:26 AM
  #1  
askmarcoanything's Avatar
Thread Starter
|
Junior Member
Joined: Jul 2018
Posts: 3
Likes: 0
From: Toronto
Default CD Changer Removal

Hello,

Recently bought an X308 XJR. Currently, i am getting a Disc E-01 Error, and am not able to eject the CD changer in the trunk. Since i currently use the AM/FM radio & Cassette Player w/ Aux cord for audio, i dont really see the need to keep the CD Changer in the trunk. Potentially, I would like to install a USB charger point (when the vehicle is on) to make use of the existing wiring supply.

Has this been done before? Im thinking this would be as simple as removing the CD Changer, finding the pos and ground cable in the connector plug, twisting in a DC USB Converter.

Would there be any issues to the radio system if this change would be made? Any other considerations to be made?

Many Thanks,
 
Reply
Old Apr 27, 2025 | 10:09 AM
  #2  
Highhorse's Avatar
Veteran Member
10 Year Member
Liked
Loved
Community Favorite
Joined: Feb 2013
Posts: 4,928
Likes: 1,918
From: Trying to escape Central Florida
Default

Do a search, just type in bluetooth x308, been done many times. From using the CD to a more updated interface on the head unit by nilanium.
 
Reply
Old Apr 27, 2025 | 04:25 PM
  #3  
askmarcoanything's Avatar
Thread Starter
|
Junior Member
Joined: Jul 2018
Posts: 3
Likes: 0
From: Toronto
Default

Would it effect anything if i werent to replace the cd changer with anything?
 
Reply
Old Apr 28, 2025 | 05:40 AM
  #4  
Highhorse's Avatar
Veteran Member
10 Year Member
Liked
Loved
Community Favorite
Joined: Feb 2013
Posts: 4,928
Likes: 1,918
From: Trying to escape Central Florida
Default

I eliminated my OEM equipment all together before Bluetooth interfaces, so I can't say, read those posts. I have complete 3rd party equipment, head unit, amp and speakers...I just recently dumped a Clarion for a superior Pioneer DEH-S6220BS. I only used the speaker wiring.

As far as your a USB charger, the fave is replacing the cigar/cigarette lighter(s). I attached an official pdf from Jaguar for review.

If you are new to the X308 model, keep in mind they have items that will drain your battery if you don't use it for about 2 weeks and a unit like the Battery Tender is recommended. Newer AGM (absorbent glass mat) battery tech has been nice as well and extend the need for a charge up to 3 weeks. Just make sure you make your connections securely, especially grounds to prevent unintended drainage. I say all that because if you let your battery fall below 11.4v you can and most likely will, experience ghost codes and equipment not working properly or maintaining memory, hence the battery tender. The primary user of battery power when the vehicle is off is the ECU and security system.

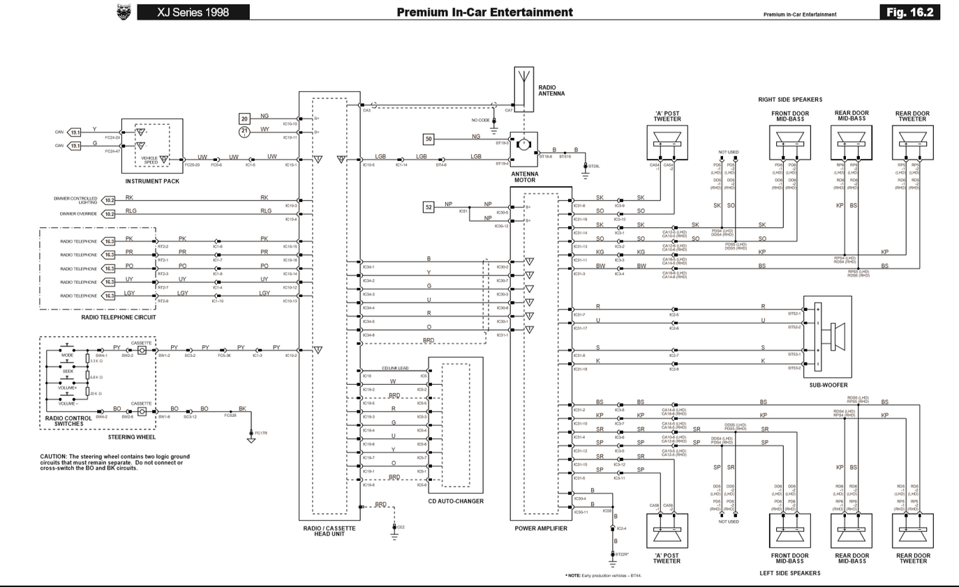
From what you describe you seem to have the Premium Entertainment system....



 
Attached Files
File Type: pdf
AuxilliaryPowerSocket.pdf (3.43 MB, 23 views)
Reply
Old Apr 28, 2025 | 07:24 AM
  #5  
Hooli's Avatar
Veteran Member
5 Year Member
Liked
Loved
Community Favorite
Joined: Sep 2019
Posts: 1,201
Likes: 682
From: Doncaster, UK
Default

Removing the CD changer is easy, pull the hard carpet trim out, remove the 4 bolts that hold the mounting frame in & unplug the 2? cables to it. What's the point though? it's behind the trim so not wasting boot space & will leave a gap where it was so stuff in the boot can get behind the trim panel & lost.

As for power, I believe the CD changer is always live. I know you don't need the ignition on to eject the discs or load it, so that cable won't suit your purposes.

Bluetooth wise as someone mentioned, there is a streaming add-on that plugs in to the CD changer cables but it needs a working CD changer to work. So I don't think it's any use to you currently. They're sold by a US company, discountcarstereo or similarly named. If you wanted to go that way I replaced the CD changer in one of my x308s from a breaker & it wasn't that expensive £80? I think.

Finally, a CD changer doesn't mean you've got the premium sound system. But if you do & there's a sub on the rear shelf then the amp lives in the same mounting frame as the CD changer.
 
Reply
Old Apr 28, 2025 | 12:38 PM
  #6  
Highhorse's Avatar
Veteran Member
10 Year Member
Liked
Loved
Community Favorite
Joined: Feb 2013
Posts: 4,928
Likes: 1,918
From: Trying to escape Central Florida
Default

Hooli, isn't there a pin eject port to manually eject the cd cartridge...mines been gone for years, I thought it was to the right of the cartridge behind the slide panel.
 
Reply
Old Apr 28, 2025 | 01:35 PM
  #7  
Hooli's Avatar
Veteran Member
5 Year Member
Liked
Loved
Community Favorite
Joined: Sep 2019
Posts: 1,201
Likes: 682
From: Doncaster, UK
Default

I'm not sure Highhorse, don't think I've ever looked for one. Makes sense there is one somewhere though.
 

Last edited by Hooli; Apr 28, 2025 at 01:38 PM.
Reply
Old Apr 28, 2025 | 11:19 PM
  #8  
Vauxi's Avatar
Senior Member
5 Year Member
Liked
Joined: Jul 2019
Posts: 796
Likes: 166
From: Finland
Default

I have taken apart three times my cd changer and I can not recall pin hole. In my cases E-01 error is so loose that it can be shown when disc pull/push arm is stuck and or disc has not been read. Only way to get your discs out is pulling the changer cover off and look what has happened.
 

Last edited by Vauxi; Apr 28, 2025 at 11:20 PM.
Reply
Old Apr 29, 2025 | 12:00 PM
  #9  
clubairth1's Avatar
Veteran Member
15 Year Member
Community Builder
Community Influencer
Liked
Joined: May 2009
Posts: 12,041
Likes: 3,340
From: home
Default

Yes the cartridge gets stuck after a while.
Attached are instructions for getting it unstuck. This was on a MB but they also used the same Apline CD changer unit in Jaguars.
See if it helps?
.
.
.
 
Attached Files
Reply
Old Apr 30, 2025 | 01:55 PM
  #10  
Vauxi's Avatar
Senior Member
5 Year Member
Liked
Joined: Jul 2019
Posts: 796
Likes: 166
From: Finland
Default

That changer in pdf is not completely same in Jag that I have at least. Arm drive motor is in same place but rest is not in the same place and casing is not the same.Mag is the same.
 
Reply
Related Topics
Thread
Thread Starter
Forum
Replies
Last Post
John Herbert
XJ XJ6 / XJR6 ( X300 )
7
Jul 16, 2024 04:31 PM
Tamikabrooks
X-Type ( X400 )
2
Feb 26, 2015 10:27 AM
jrb53
XJ XJ8 / XJR ( X308 )
1
May 18, 2014 08:44 AM
tacarten
XJ XJ6 / XJR6 ( X300 )
4
Oct 27, 2010 04:13 PM
MTZGR777
XJ XJ6 / XJR6 ( X300 )
1
Mar 4, 2010 11:39 AM

Currently Active Users Viewing This Thread: 1 (0 members and 1 guests)
 



All times are GMT -5. The time now is 12:36 AM.