XJS ( X27 ) 1975 - 1996 3.6 4.0 5.3 6.0

1983 XJS Brake lamp nightmare

Thread Tools
 
Search this Thread
 
Old May 13, 2021 | 12:20 PM
  #1  
Mike Lore's Avatar
Thread Starter
|
Member
Joined: Jun 2018
Posts: 56
Likes: 9
From: Las Vegas, Nevada
Default 1983 XJS Brake lamp nightmare

Hi,this is a longshot but this forum has worked miracles before. Okay long story short,brake lamps both non working traces problem that switch was not getting power fuse is good,on vacation so zip dont have a garage,I connecte dthe power wire from the ignition to the connector on the brake switch now brake lights stay on constantly and when I push the pedal the blower fan under the dash turns on,it hasn't worked in months. I'm losing my sanity with this. Help
 
Reply
Old May 14, 2021 | 03:56 PM
  #2  
89 Jacobra's Avatar
Veteran Member
5 Year Member
Active Streak: 30 Days
Liked
Loved
Joined: Dec 2016
Posts: 6,085
Likes: 1,439
From: Arkansas
Default

Well the first thing to do is remove the jumper from the ignition to the brake switch. as that is causing 12volts to back feed into the rest of the system. That is why the blower motor runs when you step on the brake. Second find a wiring diagram, and trace down where power comes to the brake lights from very likely a fuse somewhere. Another thing is to check every fuse in the car with a test light to be sure they are all good. Somebody on here has a wiring diagram for the brake light system I'm sure. Hopefully they will chime in. Hope it helps.

Jack
 
Reply
Old May 15, 2021 | 12:54 PM
  #3  
BenKenobi's Avatar
Veteran Member
5 Year Member
Liked
Loved
Community Favorite
Joined: Aug 2020
Posts: 1,194
Likes: 816
From: UK, Glossop
Default

I'd add something that I've experienced (and still do) on one of my other wallet vampires - the fuse is fine but the circuit is dead because the seat/connectors within the fusebox itself need tightening up - to get a circuit my fuse is wedged with a small lollipop stick.

Don't be tempted to sandpaper the terminals, poke anything in them except what should be in them, if the fuse terminals are corroded toss and replace - put some electrical contact cleaner in there when you do - a good fuse is not a confirmation of a good circuit.

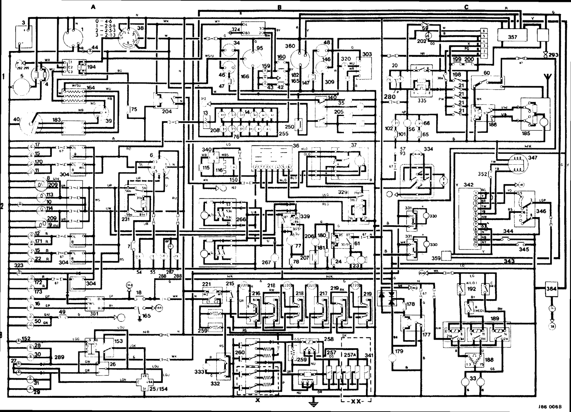
I have the diagram for the 83 but it isn't easy to read (it is a poor scan of a real doc - guess it was a good scan with the tools of the day) - the circuit isn't as logical as anticipated. Circuits fed from fuse 5 in the main fuse box (10 amp) but if your indicators work the fuse is fine because it is shared.

- I do plan to rebuild the fusebox (no I cannot replace as a replacement is not available and originality matters on this particular wallet vampire)

this is trhe best I can do for now - if your's isn't a 5.3 I can't see the other variants being so different >>




 

Last edited by BenKenobi; May 15, 2021 at 01:18 PM. Reason: Added Diagram and Legend
Reply
Related Topics
Thread
Thread Starter
Forum
Replies
Last Post
hamiltonian
XJS ( X27 )
16
May 31, 2025 04:43 AM
HNM
XJ XJ8 / XJR ( X308 )
4
Nov 15, 2019 03:41 PM
blackprophet
XJS ( X27 )
8
Nov 20, 2017 04:00 PM
Cal King
XJS ( X27 )
15
Mar 12, 2016 11:42 AM
Bfin
XJS ( X27 )
2
Jan 6, 2011 02:07 PM

Currently Active Users Viewing This Thread: 1 (0 members and 1 guests)
 



All times are GMT -5. The time now is 09:14 AM.