XJS ( X27 ) 1975 - 1996 3.6 4.0 5.3 6.0

Auxiliary Cooling Fan - Making it a Two-Stage

Thread Tools
 
Search this Thread
 
Old May 19, 2014 | 05:59 PM
  #1  
cybercg's Avatar
Thread Starter
|
Senior Member
Joined: Sep 2012
Posts: 218
Likes: 80
From: Nashville
Default Auxiliary Cooling Fan - Making it a Two-Stage

After watching my engine coolant temperature continuously rise when using the AC, I decided to utilize the auxiliary electric cooling fan to help out. You have all helped me out in the past so I wanted to return the favor. I documented the experience and include it here for you.








Why: The 1995 XJS has only an engine driven fan for cooling the engine, transmission cooler and AC Condenser. This causes the operating temperature of the coolant to rise and affects the efficiency of the AC system. The auxiliary electric fan is only used to prevent overheating conditions and is not used to assist otherwise. When the AC is on, the AC Condenser releases heat which then gets pulled through the engine coolant radiator since it is positioned in front of the radiator, causing a rise in coolant temperature. My project was to add a second circuit to drive the auxiliary cooling fan at half speed at any time the AC was operating creating a two-stage electric fan like that used on many production vehicles. This additional air flow helps keep the coolant temperature down and also improves the efficiency of the AC system. This installation has decreased my coolant temperatures when using the AC. I have documented my experience for your use if you like.


Parts List:


  • One - SPST Relay – 12V, 30amp – Available from Advance Auto/Autozone etc. for about $6
  • One - Relay socket – Not required but makes for a neater install. Acquired for around $10…..can be found for less
  • Suitable lengths of #12 stranded automotive wire. Color doesn’t matter as long as you keep up with what attaches where.
  • One – 1.5 ohm 100W Power Resistor. Available from Mouser Electronics.
    1. 284-HS100-1.5F, HS100 1R5 1%, 100W 1.5 1%
    2. $12.22 each plus shipping
  • Shrink tubing to seal the soldered and crimped joints
  • Silicone rubber to seal the splices
  • Various crimp connectors and wire splicers of your choosing


Procedure: The objective of this procedure is to establish a separate circuit to the auxiliary electric fan that will drive the fan motor at one half speed whenever the AC is turned on. The circuit driven/controlled by the radiator coolant temperature sensor will still run the fan at full speed whenever the coolant temperature reaches the sensor’s trigger temp whether the AC is on or not.


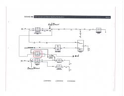
So, basically what this does is use the +12V off of the AC Clutch relay when it is triggered to trigger another relay (the new one) that will provide a +12V path to the auxiliary fan motor through a power resistor. The power resistor is approximately the same impedance/resistance as the fan motor so the +12V will be divided between the motor and the resistor. The motor will receive about +6V resulting in it running at one half speed. I measured the non-running resistance of my auxiliary fan motor and got 1.3 ohms. The closest power resistor that I could find was 1.5 ohms. Close enough! You might want to measure your auxiliary fan motor’s resistance……………….it could be different. So the trick is to get a power resistor as close as possible to the resistance value of your fan motor. The modified Jaguar schematic showing the added circuit is included in the attachments.


Steps:


  • Run a wire from the AC Clutch Relay RED/BROWN wire to Pin 85 of the New Relay.
  • Run a wire from the New Relay, Pin 86, to Ground. I used the Ground stud located on the Driver side (US) of the radiator (Picture included). It is important to remove the air box to gain sufficient working room and to reveal the ground stud. You will see other wires attached to this stud.
  • Run a wire from the New Relay, Pin 30, to the Brown/Green wire on the Cooling Fan Relay, Pin 87. This will provide the +12V needed for the new circuit.
  • Run a wire from the New Relay, Pin 87 to the New Power Resistor. Mount the Power Resistor on the horizontal metal panel that the Auxiliary Fan mounts to using thermal paste and a couple of sheet metal screws. The thermal paste along with the metal panel will provide adequate heat dissipation for the Power Resistor. I placed the resistor in front of the auxiliary cooling fan to take advantage of the air flow. CAUTION: The Power Resistor gets VERY HOT when in use!! Don’t grab it. You will get burned.
  • Run a wire from the other side of the New Power Resistor to the Black/Green wire of the Auxiliary Fan.
  • Dress up your wires and make it neat. Also make sure any wiring cannot fall and rest on the New Power Resistor. As I have said previously, it gets HOT!! You don’t want to be melting any wires and causing fires.

 
Attached Thumbnails Auxiliary Cooling Fan - Making it a Two-Stage-auxiliary-fan-xjs003.jpg   Auxiliary Cooling Fan - Making it a Two-Stage-img_20140506_102854_528.jpg   Auxiliary Cooling Fan - Making it a Two-Stage-img_20140506_103159_118.jpg   Auxiliary Cooling Fan - Making it a Two-Stage-img_20140507_144248_654.jpg   Auxiliary Cooling Fan - Making it a Two-Stage-img_20140507_144543_719.jpg  

Auxiliary Cooling Fan - Making it a Two-Stage-img_20140507_150359_092.jpg   Auxiliary Cooling Fan - Making it a Two-Stage-img_20140507_151100_629.jpg   Auxiliary Cooling Fan - Making it a Two-Stage-img_20140507_154303_789.jpg   Auxiliary Cooling Fan - Making it a Two-Stage-img_20140507_170418_740.jpg  
Reply
Old May 17, 2020 | 08:53 AM
  #2  
Stillill's Avatar
Senior Member
Joined: Jan 2013
Posts: 129
Likes: 25
From: Norfolk, VA
Default

I love this place! I know this post is 6 years old (day after tomorrow), but it was exactly what I needed on my Sunday morning. I recently replaced the radiator with an all-aluminum eBay purchase, and also took out the mechanical fan and put in two new electric fans. Its working great, but it sometimes works too well. I'm using a thermostatic switch in the radiator bung for those electric fans, so they don't kick in until 180F. Well, since that radiator works so well, if I am moving at all (even 10mph) the temp never gets to 180F and the fans don't kick in. This is fine most times, but now that we have had a couple of 90F days, I started to use my AC, and it isn't coming out very cold unless those fans are running, which they don't unless I'm sitting at a light for 3 minutes.

When I replaced everything, I removed the switch for the aux fan, so its just been sitting there dormant. I thought that if I could rig up that fan to run when the AC is on, that would cool down the condenser and lead to some cold AC. So I went looking on the forum and saw this. I modified a bit, since I don't need the regular switch for the aux fan, and I just spliced the 87 (red/brown) wire from the AC clutch relay to the 85 wire (green) on the Aux Fan relay. Then I grounded 86 to the common ground which is about 8 inches from the Aux Fan relay. Crisp and clean, no caffeine! Now when I turn on the AC, the aux fan kicks in and the AC blows cold. When I get up to temp, the two electric fans kick in and it blows REAL cold, even sitting at a light. Granted its only 80F outside this morning so I haven't tested it in the blistering summer, but I think I've got this one licked! Thanks cybercg!
 
Reply
Old Jul 3, 2024 | 03:10 PM
  #3  
Jerry's Jag's Avatar
Junior Member
Joined: May 2023
Posts: 20
Likes: 5
From: Palm Coast, FL
Default

Thanks for solving my problem, I think?

I'm in Florida, very hot and humid summers. The A/C condenser needs some help and this sounds like a good, no-brainer fix. But I have a few questions. I have very little experience reading wiring diagrams. Where is the AUX Fan relay located ('95 XJS 2+2, LHD)? And have you had any problems? I still have the original radiator fan set up. I agree that this site and its contributors are awesome!

Look forward to hearing from you,
Jerry
 

Last edited by Jerry's Jag; Jul 3, 2024 at 03:21 PM.
Reply
Old Jul 3, 2024 | 05:17 PM
  #4  
jal1234's Avatar
Veteran Member
10 Year Member
Liked
Loved
Joined: Sep 2015
Posts: 1,148
Likes: 746
From: Northern Alabama
Default

It should be the forward most relay on the left hand relay panel under the hood. The relay should have a blue socket, and the original relay would have been blue,, although there was a service bulletin on blue relays, and it may have been changed out.
You can get the wiring diagrams with electrical parts locations here:
JagRepair.com - Jaguar Repair Information Resource
Note that there are separate diagrams for the V12 and 6 cyl models.
Jon
 
Reply
Old Jul 4, 2024 | 02:08 PM
  #5  
Jerry's Jag's Avatar
Junior Member
Joined: May 2023
Posts: 20
Likes: 5
From: Palm Coast, FL
Default Aux Cooling Fan Update

An update on my progress to have the Aux Cooling Fan operate whenever the A/C clutch is engaged. Thanks to Cybercg's initial post and follow-up by stillill, I ran a wire from the A/C clutch 87 pin to the Aux Fan 85 pin and grounded the 86 pin as described in stillill's post to this thread. But my Aux Fan does not run when the A/C clutch is engaged. I jumped the 30 and 87 pins on the Aux Fan relay and it runs fine. I ensured continuity on the wire from the clutch control relay and the 85 pin on the fan control relay. I did not accomplish the procedure cybercg described in his initial post to this thread. All of the original wires are still in place on the Aux Fan relay pot, all I did was splice onto them. The fan clutch engages, so know the associated 87 pin. Any ideas where I messed up or how I can fix it?

Thanks
Jerry's Jag
 
Reply
Old Jul 5, 2024 | 12:22 PM
  #6  
jal1234's Avatar
Veteran Member
10 Year Member
Liked
Loved
Joined: Sep 2015
Posts: 1,148
Likes: 746
From: Northern Alabama
Default

Since you still have the aux fan thermal switch installed, what you did won't work. In fact, by grounding pin 86 without disconnecting the current wire, you should have blown the fuse for the aux fan in the fuse box next to the relay. By installing that ground, you shorted power directly to ground. If you remove the relay and short pin 30 to 87 now, wirhout replacing the fuse, the fan shouldn't run since that fuse powers both the coil and the switched portion of the relay.

To leave the thermal switch in place, but have the aux fan come on whenever the compressor is running, probably the simplest thing to do is add a relay in parallel to the cooling fan relay where the new relay is wired as follows:
Pin 86: spliced into the red/brown compressor wire
pin 85: ground
pin 87: spiced to the wire attached to pin 87 of the existing fan relay
Pin 30: spliced to the wire attached to pin 30 of the existing fan relay.

The new relay will actuate any time the compressor clutch turns on, and won't allow backfeed from the aux fan relay to the compressor clutch if the thermal switch kicks the fan on when the a/c is not on.

Here's a marked up diagram:



Jon
 
Reply
Old Jul 6, 2024 | 06:36 AM
  #7  
Mguar's Avatar
Veteran Member
5 Year Member
Liked
Loved
Community Favorite
Joined: Aug 2019
Posts: 1,240
Likes: 426
Default

Have you done the basic steps? Before trying to re-engineer your car?
I’m impressed by your solution and the work you’ve invested in it but knowing the things that have gone wrong to present similar problems, I’m offering a quick check list.
2 radiator caps confuse most people. The one on the radiator isn’t the one to fill it with.
Leaves and trash get between the radiator and the A/C and has often presented a similar problem.
Finally tap water. Our tap water while drinkable does leave deposits over time. Plus the factory’s solution to leaks in the cooling system ( Bars Leak) over time plugs up plenty of tubes in the cooling system.
Next time ( every 2 years according to the factory)? you flush your radiator instead of tap water use distilled water. A buck or 2 a gallon is a cheap price to pay to keep from clogging radiator passages.
Finally, some thermostats do not work properly. Even if purchased from the dealer. There are plenty of stories here about that issue.
Just a check list.
 
Reply
Old Jul 6, 2024 | 09:12 AM
  #8  
jal1234's Avatar
Veteran Member
10 Year Member
Liked
Loved
Joined: Sep 2015
Posts: 1,148
Likes: 746
From: Northern Alabama
Default

Mguar, he's not having an issue with engine overheating. On late cars, the aux fan is not tied to the a/c, only to theaux fan temp switch. So at idle on a hot day, especially if the car has been sitting in the sun for awhile, not enough air is going across the a/c condensor until the car starts moving. On my 95, I have a aux fan temp switch that kicks on at a lower than stock temp, and after sitting in the sun a/c is still an issue; engine temp is low. A/c blows ice cold at all other times. I'm going to the mod I outlined for the issue he described.
Jon
 
Reply
Old Jul 9, 2024 | 10:02 PM
  #9  
Jerry's Jag's Avatar
Junior Member
Joined: May 2023
Posts: 20
Likes: 5
From: Palm Coast, FL
Default

Originally Posted by jal1234
Since you still have the aux fan thermal switch installed, what you did won't work. In fact, by grounding pin 86 without disconnecting the current wire, you should have blown the fuse for the aux fan in the fuse box next to the relay. By installing that ground, you shorted power directly to ground. If you remove the relay and short pin 30 to 87 now, wirhout replacing the fuse, the fan shouldn't run since that fuse powers both the coil and the switched portion of the relay.

To leave the thermal switch in place, but have the aux fan come on whenever the compressor is running, probably the simplest thing to do is add a relay in parallel to the cooling fan relay where the new relay is wired as follows:
Pin 86: spliced into the red/brown compressor wire
pin 85: ground
pin 87: spiced to the wire attached to pin 87 of the existing fan relay
Pin 30: spliced to the wire attached to pin 30 of the existing fan relay.

The new relay will actuate any time the compressor clutch turns on, and won't allow backfeed from the aux fan relay to the compressor clutch if the thermal switch kicks the fan on when the a/c is not on.

Here's a marked up diagram:



Jon
Jon, tried your procedure, Fan did not work. Are you sure the 87 jump from the compressor "on" circuit (87) should not be connected to the "85" of the parallel relay and "85", and then 86 to ground. It's not working as you drew it up. Probably my fault. Fan runs when Aux relay jumped 30 to 87. Any suggestions?

Many thanks for the help.

Jerry

 
Reply
Old Jul 9, 2024 | 11:19 PM
  #10  
jal1234's Avatar
Veteran Member
10 Year Member
Liked
Loved
Joined: Sep 2015
Posts: 1,148
Likes: 746
From: Northern Alabama
Default

It shouldn't matter which way 85 and 86 are connected, but you can try it your way.
Are you getting 12v on the wire from the compressor clutch to the new relay anytime the compressor is running? If not, you have a bad connection on that wire, or you connected to the clutch ground wire at the compressor. Are you sure you grounded the other connection at the relay?
If you connect pin 30 and pin 87 for the new relay, does the fan run? It should.

Jon
 
Reply
Old Jul 10, 2024 | 11:12 AM
  #11  
Jerry's Jag's Avatar
Junior Member
Joined: May 2023
Posts: 20
Likes: 5
From: Palm Coast, FL
Default All Done works great

Many thanks to all who responded to my cooling fan issue. Especially to Jon, who had the patience and knowledge to work me through the process. 1995 XJS 2+2, 4.0 L US was running hot in slow traffic with A/C on with temps in the 90s. I came across this thread and decided the two-stage solution was unnecessary and that running the Aux fan anytime the A/C clutch was engaged would be the way to go. With Jon's help after a couple of false starts, it is working and I am very happy. Temp gauge stays on the N and cabin air is at 38 degrees from the center vents. Jon suggested wiring a relay in parallel with the Aux fan relay using the 87 pin from the A/C clutch relay to trigger the new relay. Works like a charm.

Thanks again,
Jerry
 
Reply
Old Jul 10, 2024 | 04:58 PM
  #12  
jal1234's Avatar
Veteran Member
10 Year Member
Liked
Loved
Joined: Sep 2015
Posts: 1,148
Likes: 746
From: Northern Alabama
Default

Jerry, glad I could help. What was the issue that caused my mod not to work at first?

Jon
 
Reply
Old Jul 10, 2024 | 05:08 PM
  #13  
Jerry's Jag's Avatar
Junior Member
Joined: May 2023
Posts: 20
Likes: 5
From: Palm Coast, FL
Default

Originally Posted by jal1234
Jerry, glad I could help. What was the issue that caused my mod not to work at first?

Jon
My ground connection from the new relay was bad. Your heads-up about jumping 30 and 87 to make the fan run put me on the right track.

Thanks again Jon.

Jerry
 
Reply
Old Jul 12, 2024 | 01:35 AM
  #14  
Jagboi64's Avatar
Veteran Member
10 Year Member
Liked
Loved
Community Favorite
Joined: Jan 2013
Posts: 5,250
Likes: 3,509
From: Calgary, Canada
Default

Originally Posted by jal1234
. On late cars, the aux fan is not tied to the a/c, only to theaux fan temp switch. So at idle on a hot day, especially if the car has been sitting in the sun for awhile, not enough air is going across the a/c condensor until the car starts moving. On my 95, I have a aux fan temp switch that kicks on at a lower than stock temp, and after sitting in the sun a/c is still an issue; engine temp is low. A/c blows ice cold at all other times. I'm going to the mod I outlined for the issue he described.
Jon
What I would do is instead of a relay for engaging the fan with the compressor, I would use a pressure switch on the high side of the AC system. As the heat builds up in the refrigerant, the pressure rises, so that is the best way of determining the need for additional airflow. If the fans are running once the car is at highway speed the fans actually blocks airflow, rather than helping.

You should already have a dual pressure switch, it is closed between 29 and 392 psi for compressor protection. The sedans with electric fans use a trinary switch, with incorporates the same pressure range for compressor protection and a 290 psi switch that puts the electric fans on high. There is a single pressure switch that closes at 175 psi for low speed fan operation. I assume there must be other triple switchs that would incorporate a lower trip point than 290psi for an electric fan and you can use that switch to close the fan relay and turn the fan on.

By using the pressure switch, then the operation of the fan in independent of engine coolant temps, and only runs the fans when needed.
 
Reply
Old Jul 12, 2024 | 12:51 PM
  #15  
jal1234's Avatar
Veteran Member
10 Year Member
Liked
Loved
Joined: Sep 2015
Posts: 1,148
Likes: 746
From: Northern Alabama
Default

Originally Posted by Jagboi64
What I would do is instead of a relay for engaging the fan with the compressor, I would use a pressure switch on the high side of the AC system. As the heat builds up in the refrigerant, the pressure rises, so that is the best way of determining the need for additional airflow. If the fans are running once the car is at highway speed the fans actually blocks airflow, rather than helping.

You should already have a dual pressure switch, it is closed between 29 and 392 psi for compressor protection. The sedans with electric fans use a trinary switch, with incorporates the same pressure range for compressor protection and a 290 psi switch that puts the electric fans on high. There is a single pressure switch that closes at 175 psi for low speed fan operation. I assume there must be other triple switchs that would incorporate a lower trip point than 290psi for an electric fan and you can use that switch to close the fan relay and turn the fan on.

By using the pressure switch, then the operation of the fan in independent of engine coolant temps, and only runs the fans when needed.
I didn't realize those switches existed. I was basically doing what the pre-88 XJS did, turning on the fan anytime the compressor was on.
I agree the trinary pressure switch is a more elegant solution. The existing pressure switch on the V12 is below the right hand air cleaner assembly, on the hard line going to the expansion valve. I'll have to see if it's a male or female thread. There are generic trinary switches available for $16-$36 USD. Do you have a part number for the switch used on sedans?
EDIT: It appears Jaguar did not incorporate a schrader valve in the port for the pressure switch, unlike a lot of cars. That means the system has to be evacuated and refilled to change the switch. Bummer.

Jon
 

Last edited by jal1234; Jul 12, 2024 at 01:22 PM.
Reply
Old Jul 12, 2024 | 04:25 PM
  #16  
Jagboi64's Avatar
Veteran Member
10 Year Member
Liked
Loved
Community Favorite
Joined: Jan 2013
Posts: 5,250
Likes: 3,509
From: Calgary, Canada
Default

Originally Posted by jal1234
Do you have a part number for the switch used on sedans?
For the XJ40, the trinanry switch is LMB7657AA, the single pressure switch is DBC10797.
 
Reply
Related Topics
Thread
Thread Starter
Forum
Replies
Last Post
Feffman
Motorsports
2
Nov 28, 2015 10:36 PM
Feffman
US Lower Atlantic
1
Sep 29, 2015 01:38 PM
anthony.eckersall
XJ ( X351 )
4
Sep 17, 2014 08:47 PM
Feffman
Motorsports
1
Sep 1, 2014 09:58 AM
sweatyfox
XK8 / XKR ( X100 )
2
Mar 9, 2014 09:04 AM

Currently Active Users Viewing This Thread: 1 (0 members and 1 guests)
 



All times are GMT -5. The time now is 09:23 PM.