XJS ( X27 ) 1975 - 1996 3.6 4.0 5.3 6.0

Mystery Lucas wiper motor

Thread Tools
 
Search this Thread
 
Old Jul 1, 2025 | 12:08 AM
  #1  
richardsjags's Avatar
Thread Starter
|
Senior Member
Joined: Dec 2020
Posts: 207
Likes: 110
From: Hervey Bay, Qld., Australia
Default Mystery Lucas wiper motor

I have a wiper assembly from a Jag club member, hoping to fix it for him.
He said it just does not work, the motor does not run.
1) It is from a 1983 XJS, RHD.
Pulled it all apart, the motor is very clean and in excellent condition. Runs well on 12V.
Even the plastic assembly cover which is often dubious looks brand new.
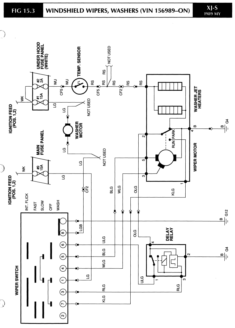
2) I have not been able to find a wiring diagram for this particular Lucas assembly.
It only has 5 wires going to it. See the pdf diagram labelled WIPER.S02.
The microswitch for parking is working and is a simple one pole NC type.
3 wires run direct to the motor, and 2 are just across the microswitch and presumably switch a relay or whatever.
3) I have checked the archives and my collection of wiring diagrams.
My 79 coupe Lucas wiper assembly which I fixed years ago is very different, it includes a solenoid.
Other assemblies seem to have 6 instead of 5 wire connections.
Also other wiring diagrams show dual colour wires nothing like what I have, and not sure what year or if it is Electrolux type.

So does anybody recognise the assembly I am looking at ?
Anybody have the correct wiring diagram ?




 
Attached Files
File Type: pdf
XJS 1983 WIPER.pdf (242.1 KB, 40 views)
Reply
Old Jul 1, 2025 | 12:59 AM
  #2  
Greg in France's Avatar
Veteran Member
10 Year Member
Liked
Loved
Community Favorite
Joined: Jan 2012
Posts: 14,567
Likes: 10,759
From: France
Default

is the small pip on the microswitch sprung still? It is possible that the spring inside the microswitch has broken and left the thing permanently without a 12v feed. Have you tried 12v directly to the motor, downstream of the switch?
 
Reply
Old Jul 1, 2025 | 01:39 AM
  #3  
richardsjags's Avatar
Thread Starter
|
Senior Member
Joined: Dec 2020
Posts: 207
Likes: 110
From: Hervey Bay, Qld., Australia
Default

The microswitch functions correctly.
It does not switch the motor.
2 wires come into the connection block and they only connect to the microswitch.
The contacts are closed ( NC ) and It looks like they open in the park position.
I am guessing they open in a park position because there is a cam action that only
opens them over a very small arc of the wormwheel.
That suggests the microswitch operates a relay only in the park position, but I wish I had the correct wiring diagram to figure it out.
 
Reply
Old Jul 1, 2025 | 04:42 AM
  #4  
rgp's Avatar
rgp
Veteran Member
15 Year Member
Liked
Loved
Community Favorite
Joined: May 2010
Posts: 1,591
Likes: 439
From: S.E.LONDON
Default

Scrap the Lucas and fit an electrolux. Will swap with an 83 with small mod to switch.
 

Last edited by rgp; Jul 1, 2025 at 05:14 AM.
Reply
Old Jul 1, 2025 | 05:11 AM
  #5  
Greg in France's Avatar
Veteran Member
10 Year Member
Liked
Loved
Community Favorite
Joined: Jan 2012
Posts: 14,567
Likes: 10,759
From: France
Default

Originally Posted by richardsjags
but I wish I had the correct wiring diagram to figure it out.
Attached
 
Attached Files
File Type: pdf
wiper circuit.pdf (912.2 KB, 49 views)
Reply
Old Jul 1, 2025 | 05:37 AM
  #6  
BenKenobi's Avatar
Veteran Member
5 Year Member
Liked
Loved
Community Favorite
Joined: Aug 2020
Posts: 1,194
Likes: 816
From: UK, Glossop
Default

I think the wiring is similar regardless, this is all my drawings - not sure if it helps. The later facelift actually has a control module but the mounting for the wiper support frame is totally different, the motors themselves though are not substantially different. For what it is worth I ditched Lucas and went Electrolux, I'd have liked to move to a facelift version but the genius engineers at Jaguar decided to move the mounts on the bulkhead for the frame and I am not taking out the dash to weld in new mounts for it - so don't waste your time with a facelift unless you feel like finding a solution - if you can get hold of the Tesla 'blue' adhesive it is insanely strong but I've not found a source.










 

Last edited by BenKenobi; Jul 1, 2025 at 05:40 AM.
Reply
Old Jul 1, 2025 | 07:13 AM
  #7  
richardsjags's Avatar
Thread Starter
|
Senior Member
Joined: Dec 2020
Posts: 207
Likes: 110
From: Hervey Bay, Qld., Australia
Default

Thanks for all the replies.
I have most of those wiring diagrams too.
Problem is they have 6 wires to the assembly, not 5, and they have different wire colours.
Also my microswitch is single pole only, and there is no wire going to ground.
If you check the diagram in my first post it simply does not agree with any of these other wiring diagrams.

I can put the whole shooting match back together and check it is functional as far as it goes.
However it belongs to a Jag club member's car, not mine, so I cannot check it works 100% in a car.
I am not able to simply toss it and fit an Electrolux.
Seeing I have found no problem with the assembly it is almost sure to be a problem in the car itself.
Without the correct wiring diagram it is not easy to troubleshoot the car.
I wonder if he checked all fuses !

I can see if anybody on the Jag-Lovers forum has the correct wiring diagram.
 
Reply
Old Jul 1, 2025 | 07:39 AM
  #8  
BenKenobi's Avatar
Veteran Member
5 Year Member
Liked
Loved
Community Favorite
Joined: Aug 2020
Posts: 1,194
Likes: 816
From: UK, Glossop
Default

Those are the only diagrams available as far as I know - the drawings show 6 cores for models with heated washer jets. No way the motor itself needs 6 - I'll have a poke around on the three wiper units that I have and see what falls out - I have different versions after walking the upgrade path available.



 
Reply
Old Jul 1, 2025 | 10:58 AM
  #9  
rgp's Avatar
rgp
Veteran Member
15 Year Member
Liked
Loved
Community Favorite
Joined: May 2010
Posts: 1,591
Likes: 439
From: S.E.LONDON
Default

Here is a picture of one selling for spares on ebay for you to check the wire colours... let me know if you want a close up. Off a 83 my




 

Last edited by rgp; Jul 1, 2025 at 12:53 PM.
Reply
Old Jul 1, 2025 | 11:03 AM
  #10  
kansanbrit's Avatar
Senior Member
10 Year Member
Liked
Loved
Community Favorite
Joined: Dec 2013
Posts: 978
Likes: 275
From: Kansas
Default

You should be able to tell which wires are the windings by measuring the resistance relative to ground black wire. Lowest resistance will equal highest speed.
 
Reply
Old Jul 1, 2025 | 11:42 AM
  #11  
BenKenobi's Avatar
Veteran Member
5 Year Member
Liked
Loved
Community Favorite
Joined: Aug 2020
Posts: 1,194
Likes: 816
From: UK, Glossop
Default

Not sure what you have there - a Pre HE ?? - I checked the ones I have, two of which are quite early, one is a lever type and one cable and they both have only 5 wires, one going on my car has 6 but it also has heated jets. The very late one has a round plug and a square one and heated jets. If you need pics let me know.
 
Reply
Old Jul 1, 2025 | 05:29 PM
  #12  
richardsjags's Avatar
Thread Starter
|
Senior Member
Joined: Dec 2020
Posts: 207
Likes: 110
From: Hervey Bay, Qld., Australia
Default

Originally Posted by rgp
Here is a picture of one selling for spares on ebay for you to check the wire colours... let me know if you want a close up. Off a 83 my




At last !
That one looks correct, it has the same connection block and the same wire colours ( 5 wires ) as the one I am fixing.
The problem is, who has a correct wiring diagram for it so I can tell the Jag club 83 XJS owner where to look.
I am fairly sure when I put this wiper assembly back together it will be working as it should.
 
Reply
Old Jul 1, 2025 | 05:46 PM
  #13  
richardsjags's Avatar
Thread Starter
|
Senior Member
Joined: Dec 2020
Posts: 207
Likes: 110
From: Hervey Bay, Qld., Australia
Default

Something stands out with the Lucas wiper assembly I am fixing.
If you look at the photo in the first post, once I cleaned off the moderate amount of grime the condition of it was really good.
For an 83 it is remarkable. I think the almost brand new condition of the black plastic cover that protects the motor and gearbox is the clue.
On my 79 that cover was a very poor design and had a life expectancy of 5 years tops. When I needed to fix the early Lucas wiper assembly in the mid 80s it just disintegrated. Such poor design leads to water getting onto the assembly.
Something for owners to check.
 
Reply
Related Topics
Thread
Thread Starter
Forum
Replies
Last Post
re-hiker
MKI / MKII S type 240 340 & Daimler
4
Jun 20, 2024 11:12 AM
rgp
XJS ( X27 )
4
Jan 28, 2021 01:19 AM
Wilfred88
XJ6 & XJ12 Series I, II & III
3
Apr 14, 2016 02:10 PM
ohkyguy
XJ XJ8 / XJR ( X308 )
0
Oct 17, 2012 02:11 PM
boostedhks
S-Type / S type R Supercharged V8 ( X200 )
2
Sep 15, 2011 06:13 AM

Currently Active Users Viewing This Thread: 1 (0 members and 1 guests)
 



All times are GMT -5. The time now is 01:46 AM.