XK8 / XKR ( X100 ) 1996 - 2006

Clunky 1st gear!

Thread Tools
 
Search this Thread
 
Old Dec 6, 2018 | 04:04 AM
  #1  
sscars's Avatar
Thread Starter
|
Junior Member
Joined: Jul 2018
Posts: 21
Likes: 4
From: Hong Kong
Default Clunky 1st gear!

I have searched around the forum and there seem to be several topics on this, but I don't seem to have found a solution! I have a 2002 XKR (X100) and had my Transmission Control Module "TCM" / Valve assembly (Part #C2C6718) replaced with a new one as the original one was apparently leaking. New ZF fluid put into car as well. After changing to the new TCM, I have noticed that when coming slow to a stop, there is a large CLUNK once the car shifts into 1st gear. If the car is going downhill from a standstill, it will also CLUNK into 2nd gear and lurch forward. The official Jag dealer has reflashed the TCM more than once with no success. Any input here would be most appreciated!
 
Reply
Old Dec 6, 2018 | 05:46 AM
  #2  
zray's Avatar
Veteran Member
5 Year Member
Liked
Loved
Community Favorite
Joined: Jan 2018
Posts: 3,747
Likes: 2,336
From: on the road in NE Oklahoma
Default

I'm only a year and 17,000 miles into my '02 XKR ownership, but after some lengthy research I've discovered that the 4.0 L XKR's transmissions are very particular what fluid is used, The XKR uses a completely different transmission than the XK8's ZF transmission.

The '02 XKR has the Mercedes sourced 722.6 transmission and is pretty particular regarding the correct fluid. I don't believe a "ZF" fluid is going to be the optimal fluid to use. . There are many recent threads that detail what fluid to use in order to avoid many minor issues, including your "clunk". Of course , you might have a completely different problem at work here.

But putting in a Mercedes spec. approved fluid is a good start and a relatively inexpensive way to start your troubleshooting. At least Inexpensive compared to other transmission troubleshooting procedures.

this is what I changed to recently and it solved several nagging transmissions issues, including clunking, and delayed engagement when going from neutral to D. The Fuch Titan 4234 fluid. is less costly than the Mercedes branded fluid, and is one of few fluids meeting the Mercedes specifications.

https://www.ebay.com/itm/8-Liter-Fuchs-TITAN-ATF-4134-Automatic-Trans-Fluid-Mercedes-Dodge-Jag/151595797513?ssPageName=STRK%3AMEBIDX%3AIT&_trksid =p2057872.m2749.l2649


NOTE: many Dodge and Chrysler cars also use the 722.6 transmission , but most of them are set up to use the +4 type fluid. Only the more performances oriented Chrysler Crossfire uses same the Mercedes spec. fluid as is used the 722.6 Jaguar applications.

Z

PS: IIRC, from one of the Mercedes forums:

What Fluid Can I Use For The 722.6 Transmission?

The short answer is that you just use the genuine Mercedes ATF for the 722.6 or the 722.9 transmissions. You will not lose any sleep during the night and there are three different fluids you can use in the W210 722.6 transmission. (These fluids cost approximately $12 - 15 per liter).

MB 236.10 sheet - ATF 3403, aka 722.6 fluid (MB Part # 001-989-21-03-10)

MB 236.12 sheet - ATF 3353, aka 722.9 fluid (MB Part # 001-989-45-03-10)

MB 236.14 sheet - ATF 134 or 4134, aka "new" 722.9 fluid (MB Part # 001-989-68-03-10)

Mercedes always recommends the latest fluid for the 722.6 transmission but there is nothing wrong to use the older fluids (your car came with the 236.10 fluid).

The intermediate answer is that you can also use whatever is on the official Mercedes approved list for each spec sheet. However these fluids are not easy to find in the USA, although more vendors are starting to carry them now. Here are the ones on the (current) official approved list for each spec sheet: (These fluids can be found as low as around $10 - 12 per liter).

MB 236.10 sheet

MB 236.10 Flüssigkeitsgetriebeöl (ATF) A 001 989 21 03 Daimler AG

Mercedes-Benz Getriebeöl Blatt 236.10 Daimler AG

Shell ATF 3403-M 115

(So there is only one non-Mercedes fluid on this current list).

MB 236.12 sheet

Aral Getriebeol ATF M12

Fuchs Titan ATF 3353 Fuchs

MB 236.12 ATF 3353 A 001 989 45 03 Daimler AG

Mercedes-Benz Automatik-Getriebeöl Blatt 236.12 Daimler AG

Mobil ATF 3353

Shell ATF 3353

(So there are four non-Mercedes fluids on this current list).

MB 236.14 sheet

Fuchs TITAN ATF 4134

Fuchs TITAN EG ATF 134

MB 236.14 ATF NAG2VSport A 001 989 68 03 Daimler AG

Mercedes-Benz Automatik-Getriebeöl Blatt 236.14 Daimler AG

Mercedes-Benz Getriebeöl Blatt 236.14 Daimler AG

Mobil ATF 134

Shell ATF134

(So there are four non-Mercedes fluids on this current list).




 

Last edited by zray; Dec 6, 2018 at 07:23 AM. Reason: spelling errors
Reply
Old Dec 6, 2018 | 07:14 AM
  #3  
mhminnich's Avatar
Senior Member
10 Year Member
Liked
Loved
Community Favorite
Joined: Oct 2014
Posts: 896
Likes: 706
From: Arlington, Texas
Default

If this hasn't been added yet to the maintenance how to Sticky, it should be! Great write-up.
 
Reply
Old Dec 6, 2018 | 07:30 PM
  #4  
sscars's Avatar
Thread Starter
|
Junior Member
Joined: Jul 2018
Posts: 21
Likes: 4
From: Hong Kong
Default

This is fantastic! I should mention I have a 4.2L 6-speed XKR. I do know my car was manufactured in 2002 but was sold in 2003 so perhaps it was a 2003 model? Would that make a difference? I see I should have the ZF6HP26 transmission so not sure if that changes things in terms of what spec MB trans fluid I should be using.
 
Reply
Old Dec 6, 2018 | 07:54 PM
  #5  
zray's Avatar
Veteran Member
5 Year Member
Liked
Loved
Community Favorite
Joined: Jan 2018
Posts: 3,747
Likes: 2,336
From: on the road in NE Oklahoma
Default

Originally Posted by sscars
This is fantastic! I should mention I have a 4.2L 6-speed XKR. I do know my car was manufactured in 2002 but was sold in 2003 so perhaps it was a 2003 model? Would that make a difference? I see I should have the ZF6HP26 transmission so not sure if that changes things in terms of what spec MB trans fluid I should be using.
What does your title or registration say is the YOM ?

all the info I posted is for the 4.0 L XKR. I do not know the preferred trans. fluid for the 4.2 L cars.


Z
 
Reply
Old Dec 6, 2018 | 07:59 PM
  #6  
sscars's Avatar
Thread Starter
|
Junior Member
Joined: Jul 2018
Posts: 21
Likes: 4
From: Hong Kong
Default

Originally Posted by zray


What does your title or registration say is the YOM ?

all the info I posted is for the 4.0 L XKR. I do not know the preferred trans. fluid for the 4.2 L cars.


Z
Year of Manufacture: 2002
Cylinder Capacity: 4,196 c.c.

It could very well be a 2003 model as the car was first on the road late 2003. Maybe I should change my signature!
 
Reply
Old Dec 6, 2018 | 08:00 PM
  #7  
sscars's Avatar
Thread Starter
|
Junior Member
Joined: Jul 2018
Posts: 21
Likes: 4
From: Hong Kong
Default

But my signature does say 4.2L, so maybe I should change the year to 2003 to reflect the model year where the 4.2L came out.
 
Reply
Old Dec 6, 2018 | 11:30 PM
  #8  
zray's Avatar
Veteran Member
5 Year Member
Liked
Loved
Community Favorite
Joined: Jan 2018
Posts: 3,747
Likes: 2,336
From: on the road in NE Oklahoma
Default

Originally Posted by sscars
But my signature does say 4.2L, so maybe I should change the year to 2003 to reflect the model year where the 4.2L came out.
either way is OK I think. My bad for not looking at your signature before going off on a 4.0 L XKR transmission spiel.


Z
 
Reply
Old Dec 7, 2018 | 02:27 AM
  #9  
sscars's Avatar
Thread Starter
|
Junior Member
Joined: Jul 2018
Posts: 21
Likes: 4
From: Hong Kong
Default

Originally Posted by zray


either way is OK I think. My bad for not looking at your signature before going off on a 4.0 L XKR transmission spiel.


Z
Thanks again. Oh no worries, your 4.0L spiel is definitely helpful to others!
 
Reply
Old Dec 7, 2018 | 07:13 AM
  #10  
Jon89's Avatar
Veteran Member
15 Year Member
Liked
Loved
Community Favorite
Joined: Jan 2009
Posts: 13,080
Likes: 4,735
From: Raleigh, NC
Default

Many of us with the ZF 6HP26 transmission have been running Mercon SP ATF for years. It meets the required Shell M1375.4 specs, and it is available at any Ford parts department for about $7 per quart here in the U.S. You can also find sufficient quantities on amazon.com. Dropping the pan and letting it sit overnight will typically drain 7 to 8 quarts. Doing a simple drain-and-fill by just pulling the fill plug and drain plug will typically drain 4.5 to 5 quarts....
 
Reply
Old Dec 7, 2018 | 08:06 AM
  #11  
fmertz's Avatar
Veteran Member
10 Year Member
Liked
Loved
Top Answer: 1
Joined: Nov 2014
Posts: 2,675
Likes: 1,578
From: Eastern USA
Default

Originally Posted by sscars
After changing to the new TCM, I have noticed that when coming slow to a stop, there is a large CLUNK once the car shifts into 1st gear. If the car is going downhill from a standstill, it will also CLUNK into 2nd gear and lurch forward. The official Jag dealer has reflashed the TCM more than once with no success.
There was a TSB for other models with the same transmission. Apparently, the output flange was redesigned shortly after the initial version went into production. The old model would allow some play with the output shaft. The test is to sit at a standstill and alternate between "D" and "R" to see if the clunking can be reproduced. I assume this can be better tested with the application of some torque. The output flange is not snug with the output shaft splines and cause a loud clunk when reversing the torque. There is an upgraded (not crazy expensive) part for this.

Other thing is to confirm with the dealer they did reset the adaptations. This is a separate procedure from the reflash. Reflash replaces the code running on the controller. Adaptations are the parameters specific to your transmission and have to do with smoothing out the transfer of torque by properly controlling the solenoid PWM for best comfort. These adaptations are only "learned" for 100 miles after they are reset. As you changed the fluid, these adaptations need to be re-learned. This is a procedure done driving around with the "factory" software instructing the driver to keep the car speed withing several ranges over time. Expect an hour labor, or a generic diagnostic fee for this.

Of course, there are other things to check. There is a rubber coupler between the output flange and the drive shaft. There is a big rubber bearing, too, that can get contaminated. The differential can use a fluid service, too (is there any leak?). The half shafts need to be periodically greased (as in grease gun fittings) and are typically ignored. Last, and this is important, this transmission puts a lot of weight into an exact reading of the vehicle speed, as read from the ABS sensors. For that reading to be accurate, the wheel bearings have to be in perfect working order. If the bearings are loose, the reading is inaccurate and the transmission behaves funky. Also, double check the ABS reluctor rings are SOLID with the axles. If they are loose, the reading are compromised and the transmission misbehaves again. Several owners have had major transmission repairs/replacement done when the root cause were loose bearings or loose reluctor rings.

Best of luck, keep us posted.
 
Reply
Old Dec 7, 2018 | 10:42 AM
  #12  
zray's Avatar
Veteran Member
5 Year Member
Liked
Loved
Community Favorite
Joined: Jan 2018
Posts: 3,747
Likes: 2,336
From: on the road in NE Oklahoma
Default

Originally Posted by Jon89
Many of us with the ZF 6HP26 transmission have been running Mercon SP ATF for years. It meets the required Shell M1375.4 specs, and it is available at any Ford parts department for about $7 per quart here in the U.S. You can also find sufficient quantities on amazon.com. Dropping the pan and letting it sit overnight will typically drain 7 to 8 quarts. Doing a simple drain-and-fill by just pulling the fill plug and drain plug will typically drain 4.5 to 5 quarts....
those with the ZF 6HP26 transmissions are fortunate as far the ease of draining so much fluid. The early XKR's (4.0) using the 722.6 units are only able to get between 2 & 3 quarts out of it by the drain plug and the pan drop, regardless of how long the pan left off.


Z
 
Reply
Old Dec 10, 2018 | 03:24 AM
  #13  
sscars's Avatar
Thread Starter
|
Junior Member
Joined: Jul 2018
Posts: 21
Likes: 4
From: Hong Kong
Default

Originally Posted by fmertz
There was a TSB for other models with the same transmission. Apparently, the output flange was redesigned shortly after the initial version went into production. The old model would allow some play with the output shaft. The test is to sit at a standstill and alternate between "D" and "R" to see if the clunking can be reproduced. I assume this can be better tested with the application of some torque. The output flange is not snug with the output shaft splines and cause a loud clunk when reversing the torque. There is an upgraded (not crazy expensive) part for this.

Other thing is to confirm with the dealer they did reset the adaptations. This is a separate procedure from the reflash. Reflash replaces the code running on the controller. Adaptations are the parameters specific to your transmission and have to do with smoothing out the transfer of torque by properly controlling the solenoid PWM for best comfort. These adaptations are only "learned" for 100 miles after they are reset. As you changed the fluid, these adaptations need to be re-learned. This is a procedure done driving around with the "factory" software instructing the driver to keep the car speed withing several ranges over time. Expect an hour labor, or a generic diagnostic fee for this.

Of course, there are other things to check. There is a rubber coupler between the output flange and the drive shaft. There is a big rubber bearing, too, that can get contaminated. The differential can use a fluid service, too (is there any leak?). The half shafts need to be periodically greased (as in grease gun fittings) and are typically ignored. Last, and this is important, this transmission puts a lot of weight into an exact reading of the vehicle speed, as read from the ABS sensors. For that reading to be accurate, the wheel bearings have to be in perfect working order. If the bearings are loose, the reading is inaccurate and the transmission behaves funky. Also, double check the ABS reluctor rings are SOLID with the axles. If they are loose, the reading are compromised and the transmission misbehaves again. Several owners have had major transmission repairs/replacement done when the root cause were loose bearings or loose reluctor rings.

Best of luck, keep us posted.
This is extremely helpful! Out of curiosity, what is the crazy not expensive upgrade part that fixes the output flange not being snug with the output shaft splines?

I will check with the dealer whether they did the adaptions on top of the reflash. Their conclusion (right/wrong) was I needed a new TCM which will be replaced again as it was recently replaced actually and the part is still under warranty. Worth a shot.

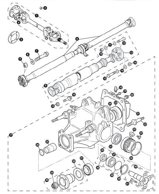
As to the rubber coupler between the output flange and the drive shaft, is that #13 in my attached diagram? Where is the rubber bearing?

Will try to check the other items as well and will keep everybody posted on the results!



 
Reply
Old Dec 10, 2018 | 08:20 AM
  #14  
fmertz's Avatar
Veteran Member
10 Year Member
Liked
Loved
Top Answer: 1
Joined: Nov 2014
Posts: 2,675
Likes: 1,578
From: Eastern USA
Default

SNG has this:


Flange is C2C25737, I would do the seal C2C6719 and a new nut C2C6725 too, while there. Honestly, I do not think this is a common source of problems for us, but yours could be the exception. Possibly cheap enough for you to just change.

For the valve body, double check they changed the (cheap) bridge seal and the 3 tube seals as well, while there. Check this great writeup: transmissionfault

Before spending too much on anything else, do the bearing/reluctor ring check. Focus on the driver side rear wheel. Basically, the ABS module needs to read the road speed as precisely as possible. Any slack in the drive line is contributing to the problem.

Another important input into the transmission logic is the brake switch. They become flaky and unreliable over time (until you get message "Check rear bulbs"). Their failure is very common. Has your been changed, yet?

Best of luck, keep us posted.
 
Reply
Old Dec 10, 2018 | 09:22 AM
  #15  
sscars's Avatar
Thread Starter
|
Junior Member
Joined: Jul 2018
Posts: 21
Likes: 4
From: Hong Kong
Default

Originally Posted by fmertz
SNG has this:


Flange is C2C25737, I would do the seal C2C6719 and a new nut C2C6725 too, while there. Honestly, I do not think this is a common source of problems for us, but yours could be the exception. Possibly cheap enough for you to just change.

For the valve body, double check they changed the (cheap) bridge seal and the 3 tube seals as well, while there. Check this great writeup: transmissionfault

Before spending too much on anything else, do the bearing/reluctor ring check. Focus on the driver side rear wheel. Basically, the ABS module needs to read the road speed as precisely as possible. Any slack in the drive line is contributing to the problem.

Another important input into the transmission logic is the brake switch. They become flaky and unreliable over time (until you get message "Check rear bulbs"). Their failure is very common. Has your been changed, yet?

Best of luck, keep us posted.
This is amazing, thank-you. Yes I have changed the brake switch. It was a bit tricky but it sorted out a lot of errors. Will definitely need several weeks to sort this out but will make sure to post an update.
 
Reply
Old Jun 24, 2019 | 09:26 AM
  #16  
sscars's Avatar
Thread Starter
|
Junior Member
Joined: Jul 2018
Posts: 21
Likes: 4
From: Hong Kong
Default

Forgot to update everyone but I ended up replace the valve body with the 3 tubes and bridge seal and the car shifts smooth now!
 
Reply
Related Topics
Thread
Thread Starter
Forum
Replies
Last Post
thenaz007
XK8 / XKR ( X100 )
13
Dec 30, 2024 08:11 AM
A.A13
X-Type ( X400 )
3
Jan 24, 2015 05:27 PM
jagqueen
S-Type / S type R Supercharged V8 ( X200 )
2
Mar 20, 2014 08:48 AM
rclangelan
X-Type ( X400 )
2
Feb 10, 2014 12:14 PM
matl
X-Type ( X400 )
4
Feb 7, 2012 08:09 AM

Currently Active Users Viewing This Thread: 1 (0 members and 1 guests)
 



All times are GMT -5. The time now is 08:58 AM.